koda QR
Izdelki
Kontaktiraj nas


faks
+86-574-87168065

E-naslov

Naslov
Industrijsko območje Luotuo, okrožje Zhenhai, mesto Ningbo, Kitajska
Raydafonova univerzalna spojka SWC-WF brez gibke prirobnice je narejena samo za prenos visokega navora v težkih strojih – pomislite na metalurško opremo, žerjave, rudarske sisteme, vse težke nastavitve, ki potrebujejo enakomerno moč. Ima nefleksibilno zasnovo prirobnice, premer kroženja v razponu od 160 mm do 640 mm, ta univerzalna spojka s prirobnico pa brez težav obravnava velike kotne neusklajenosti in neprekinjene hitrosti vrtenja, tudi pri delu v izjemno zahtevnih pogojih. Za izdelavo uporabljamo visoko trdno jeklo 35CrMo, tako da odlično prenese intenzivne obremenitve – ravno zato je najboljša izbira za univerzalne sklopke za težke stroje in univerzalne spojke brez upogljivosti za industrijsko uporabo. Raydafonova natančna izdelava zagotavlja, da vedno zagotavlja solidno zmogljivost, zlasti za industrije, ki ne morejo sklepati kompromisov pri doslednem prenosu navora.
Ta univerzalna spojka SWC-WF je narejena tako, da traja, s togo prirobnično povezavo, ki omogoča enostavno namestitev v sistemih, kot so ladjedelniški pogoni in valjarne – na mestih, kjer aksialnih gibov ni veliko. Strogo sledimo standardom ISO 9001 in naša tovarna s sedežem na Kitajskem uporablja napredno strojno obdelavo in stroge preglede kakovosti, da naredi to vzdržljivo univerzalno sklopko s prirobnico. Na voljo je v velikostih, ki jih je mogoče prilagoditi, z vrednostmi navora do 1250 kN·m, tako da se prilega prav univerzalnim sklopkam po meri za metalurško opremo in druge težke nastavitve. Raydafon ponuja tudi prilagojene rešitve po konkurenčnih cenah, s čimer pomaga skrajšati izpade in povečati zanesljivost vaše opreme.
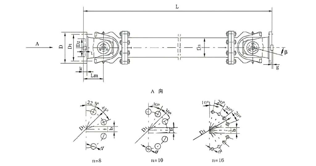
| št. | Premer vrtenja D mm | Nazivni navor Tn KN·m | Kot pregiba osi β (°) | Utrujen navor Tf KN·m | Velikost (mm) | Vrtljiva vztrajnost kg.m2 | Teža (kg) | |||||||||||
| Lmin | D1 (js11) | D2 (H7) | D3 | Lm | n-d | k | t | b (h9) | g | Lmin | Povečanje 100 mm | Lmin | Povečanje 100 mm | |||||
| SWC285WF | 285 | 90 | 45 | ≤15 | 810 | 245 | 170 | 194 | 160 | 8-21 | 27 | 7 | 40 | 15 | 2.664 | 0.051 | 220 | 6.3 |
| SWC315WF | 315 | 125 | 63 | 915 | 280 | 185 | 219 | 180 | 10-23 | 32 | 8 | 40 | 15 | 4.469 | 0.0795 | 300 | 8.0 | |
| SWC350WF | 350 | 180 | 90 | 980 | 310 | 210 | 267 | 194 | 10-23 | 35 | 8 | 50 | 16 | 7.388 | 0.2219 | 412 | 15.0 | |
| SWC390WF | 390 | 250 | 125 | 1100 | 345 | 235 | 267 | 215 | 10-25 | 40 | 8 | 70 | 18 | 13.184 | 0.2219 | 588 | 15.0 | |
| SWC440WF | 440 | 355 | 180 | 1290 | 390 | 255 | 325 | 260 | 16-28 | 42 | 10 | 80 | 20 | 23.250 | 0.4744 | 880 | 21.7 | |
| SWC490WF | 490 | 500 | 250 | 1360 | 435 | 275 | 325 | 270 | 16-31 | 47 | 12 | 90 | 22.5 | 40.750 | 0.4744 | 1173 | 21.7 | |
| SWC550WF | 550 | 710 | 355 | 1510 | 492 | 320 | 426 | 305 | 16-31 | 50 | 12 | 100 | 22.5 | 68.480 | 1.3570 | 1663 | 34.0 | |
| SWC620WF | 620 | 1000 | 500 | 1690 | 555 | 380 | 426 | 340 | 10-38 | 55 | 12 | 100 | 25 | 127.530 | 1.3570 | 2332 | 34.0 | |
* 1. Tf-pri izmenični obremenitvi navor, ki dovoljuje glede na utrujenostno trdnost.
* 2. L-namestitvena dolžina, ki je v skladu z zahtevami.
Raydafonova sklopka univerzalnega zgloba SWC-WF brez fleksibilne prirobnice – imenovana tudi sklopka univerzalnega zgloba kardanske gredi SWC – deluje na osnovni mehanski zamisli: dobi navor iz dveh nekolinearnih gredi tja, kamor mora iti, in obravnava tudi neusklajenost. Ta sklopka kardanskega zgloba z visokim navorom uporablja nastavitev prečnega ležaja za povezavo prirobnic na obeh koncih, tako da tudi ko sta gredi zamaknjeni za do 25 stopinj ali imata aksialna/radialna odstopanja, še vedno gladko premika rotacijsko moč.
Srce njegovega delovanja je zasnova univerzalnega zgloba - na voljo je prečna gred, ki deluje kot vrtišče in omogoča, da se vsaka prirobnica premika sama. Na ta način gre navor od pogonske gredi do gnane gredi učinkovito in nadoknadi kotne neusklajenosti, ne da bi preveč obremenjeval dele, s katerimi je povezan. Če potrebujete zanesljivo univerzalno spojko za težke obremenitve za operacije v valjarni, njegova toga, neprožna struktura prirobnice ohranja stvari stabilne, kar je kot nalašč za povezave na kratke razdalje v kompaktnih postavitvah težkih strojev.
Njegova funkcija izstopa po tem, da nima prilagodljivih delov ali razširitvenih funkcij - to ga loči od drugih vrst in je odličen za kraje, kjer je aksialno gibanje minimalno. Vzdržljiva sklopka kardanske gredi SWC, ki jo uporabljamo v opremi za dviganje in ravnanje z materialom, temelji na tem principu, da ostane uravnotežena tudi pri velikih obremenitvah; doseže izkoristek prenosa do 98,6 % in ne porabi veliko energije. Ta industrijska kardanska sklopka prav tako zmanjša tresljaje zahvaljujoč natančnemu gibanju ležaja, tako da deluje gladko tudi v situacijah visokega stresa – tako kot sistemi kardanske sklopke za težke stroje, ki jih lahko vidite pri težkih industrijskih opravilih.
Poleg tega ima Raydafonova univerzalna sklopka SWC za težke obremenitve privarjene prirobnice, da je močnejša – ni več skrbi, da bi se vijaki zrahljali, in poveča splošno trdnost za 30 % do 50 %. Kot učinkovita sklopka kardanskega zgloba za velike prenose moči obvladuje nazivne navore od 0,15 do 1000 kN·m in ima vrtilne premere od φ58 do φ620—zaradi česar je najboljši izbor za energetsko varčne rešitve sklopke univerzalnega zgloba v zahtevnih industrijskih prenosih. S hrupom, ki se ohranja med 30–40 dB(A), ta nizkošumna sklopka z univerzalnim zgibom deluje tiho, kar je idealno za industrijska mesta, kjer je hrup zaskrbljujoč, hkrati pa ohranja visoke standarde zanesljivosti.
Raydafonova kardanska sklopka SWC – pogosto imenovana kardanska spojka SWC – ni samo običajni del; je obvezna oprema za težke industrijske naprave, kot so valjarne, dvižni stroji in vse vrste težkih sistemov težkih strojev. Kot sklopka univerzalnega zgloba z visokim navorom dobro opravlja delo pri povezovanju dveh menjalnih gredi, ki nista popolnoma poravnani, in tako zagotavlja, da moč še naprej teče, tudi ko so delovne razmere težke.
Pogovorimo se o njegovih ključnih specifikacijah: vrtilni premer je od φ58 do φ620, nazivni navor je od 0,15 do 1000 kN·m, kot prepogiba osi pa ni večji od 25°.
Ta izdelek resnično blesti v določenih scenarijih – na primer, ko potrebujete zanesljivo kardansko spojko za težke obremenitve za operacije v valjarni ali vzdržljivo sklopko kardanske gredi SWC v opremi za dviganje in ravnanje z materialom. V teh primerih dokaže svojo vrednost s tem, da ohranja stabilno delovanje, tudi ko se sooča z velikimi obremenitvami.
Raydafonova spojka univerzalnih zglobov SWC ni zasnovana samo za delovanje – izdelana je s pametnim dizajnom, da vzdrži industrijsko uporabo in dolgoročno dobro deluje. Razčlenimo, zakaj njegova struktura izstopa.
Prvič, ima razumno in varno konfiguracijo: za to industrijsko univerzalno spojko smo uporabili integrirano zasnovo glave vilic, ki zmanjšuje tveganja, kot je zrahljanje ali zlom vijakov. Že samo to poveča njegovo strukturno celovitost za 30 %-50 %, tako da deluje varno in zanesljivo. V primerjavi z običajnimi spojkami traja dlje in se izogne pogostim okvaram na mestih z visoko obremenitvijo – kot so sistemi kardanskih sklopk za težke stroje, ki jih vidite pri težkih opravilih.
Potem je tu še njegova izboljšana nosilnost: ta univerzalna sklopka SWC za težke obremenitve je izdelana za obvladovanje velikih tež, zato jo morate imeti na mestih, kjer je potrebno vrhunsko upravljanje obremenitev, kot so rudarski ali gradbeni stroji.
Zagotavlja tudi visoko učinkovitost prenosa - do 98,6 %. Kot učinkovita kardanska sklopka za velik prenos moči zmanjša porabo energije in s tem povezane stroške. Zato je najboljša izbira za energetsko varčne rešitve sklopke univerzalnih zgibov v visokozmogljivih industrijskih prenosnih napravah.
In deluje gladko z nizko stopnjo hrupa: ohranja enakomeren prenos in hrup običajno ostane med 30–40 dB(A). Ta nizkošumna sklopka z univerzalnim zgibom poskrbi za tiho delovanje, kar je popolno za kraje, kjer hrup predstavlja težavo – hkrati pa ohranja zanesljivost na visoki ravni.
⭐⭐⭐⭐⭐ Chen Liang, proizvodni inženir, Zhejiang Machinery Co., Ltd.
Na eno od naših proizvodnih linij smo postavili univerzalno spojko Raydafon SWC-WF brez gibke prirobnice in do zdaj je odlično delovala. Struktura je preprosta, a težka – namestitev je bila prava stvar, brez zapletenih korakov. Ko je nastavljen, deluje gladko in ni potrebe po dodatnih popravkih. Tudi ko je obremenitev težka, ta spojka ostane zanesljiva, kar pomeni, da lahko stroji delujejo dolge ure brez prevelikih skrbi – vsekakor nam daje več miru.
⭐⭐⭐⭐⭐ Sun Mei, nadzornik nabave, Hebei Steel Co., Ltd.
Naše podjetje je od Raydafona kupilo več univerzalnih spojk tipa SWC-WF brez gibke prirobnice in najprej je bila dostava točna in tudi embalaža je bila skrbna – brez poškodb. Kar me resnično izstopa, je to, kar je povedala ekipa delavnice: povedali so mi, da so spojke enostavne za namestitev, pri uporabi pa so na otip zelo trdne. Poleg tega je cena v primerjavi z drugimi dobavitelji poštena. Skratka, s tem nakupom smo zelo zadovoljni.
⭐⭐⭐⭐⭐ Guo Jun, vodja vzdrževanja, Liaoning Heavy Industry Group
Moja naloga je, da naši stroji delujejo, in skušam čim bolj zmanjšati izpade. Odkar smo začeli uporabljati Raydafonov SWC-WF brez univerzalne spojke tipa Flex Flange, sem opazil veliko razliko – manj obrabe na delu in veliko manj težav med delovanjem. Zasnova je trpežna in ne potrebuje veliko vzdrževanja. To nam prihrani čas in denar in izkazalo se je, da je zelo zanesljiv del za našo opremo.
Raydafon je ključna hčerinska družba EVER-POWER Group Co., Ltd.—nismo le dobavitelj, ampak glavni ponudnik za vrhunske prenosne komponente in industrijske rešitve, veliko pozornosti pa namenjamo inovativnim izdelkom, kot je kardanska spojka kardanske gredi SWC. Odkar smo začeli, se posvečamo napredku tehnologije in rasti na svetovnih trgih; nismo se ustavili pri prodaji posameznih komponent – zdaj izdelujemo celovite sistemske rešitve, ki popolnoma ustrezajo potrebam kmetijstva in težke industrije. Naše znanje in izkušnje na področju pogonskih gredi in izdelkov za menjalnike pomeni, da lahko stranke, ki potrebujejo zanesljive kardanske sklopke za težke obremenitve za delovanje v valjarni (in druga težka dela), računajo na nas kot na trdnega partnerja.
Pri Raydafonu izdelujemo široko paleto izdelkov: menjalnike, pogonske gredi, hidravlične cilindre, jermenice in celo napredna strojna orodja, kot so CNC stružnice in rezkalni stroji. Naše rešitve za sklopke kardanskega zgloba z visokim navorom – vzemite na primer serijo SWC – so izdelane za obvladovanje strogih zahtev industrij, ki potrebujejo vzdržljivo sklopko gredi kardanskega zgloba SWC v opremi za dvigovanje in ravnanje z materialom. Imamo tudi napredne zmogljivosti: CNC delavnice, stroje za brušenje in toplotno obdelavo, orodja za 3D merjenje – vse za upoštevanje standardov ISO9001/TS16949, tako da je vsaka industrijska kardanska spojka, ki jo izdelamo, vrhunske kakovosti in natančnost.
80 % naših izdelkov prodamo v tujino, na trge, kot so ZDA, Nemčija, Japonska, Italija, Malezija, Avstralija in Bližnji vzhod. V krajih, kot so Kitajska, Južna Koreja, Združeno kraljestvo, Singapur, ZDA in Španija, imamo močno mrežo, ki to podpira. Ta globalni doseg nam omogoča ustvarjanje prilagojenih rešitev, kot je univerzalna spojna sklopka SWC za težke obremenitve – zasnovana za sisteme univerzalnih spojnih sklopk težkih strojev, ki morajo prenašati velike obremenitve in dolgo trajati.
Inovativnost in zadovoljstvo strank sta naši prioriteti. Ponujamo rešitve za varčevanje z univerzalno spojko, ki dosegajo do 98,6-odstotno učinkovitost prenosa in znižujejo operativne stroške za visokozmogljive nastavitve. Ne glede na to, ali potrebujete učinkovito kardansko zgibno sklopko za velik prenos moči ali tiho kardansko zgibno sklopko za kraje, kjer je hrup pomemben, so naši izdelki opremljeni s profesionalnimi poprodajnimi storitvami – in predani smo temu, da delamo stvari pravilno. Zato je Raydafon najboljša izbira za vse vaše potrebe po prenosu.
Naslov
Industrijsko območje Luotuo, okrožje Zhenhai, mesto Ningbo, Kitajska
Tel
E-naslov


+86-574-87168065


Industrijsko območje Luotuo, okrožje Zhenhai, mesto Ningbo, Kitajska
Copyright © Raydafon Technology Group Co., Limited Vse pravice pridržane.
Links | Sitemap | RSS | XML | Politika zasebnosti |
