koda QR
Izdelki
Kontaktiraj nas


faks
+86-574-87168065

E-naslov

Naslov
Industrijsko območje Luotuo, okrožje Zhenhai, mesto Ningbo, Kitajska
Raydafonova univerzalna spojka SWC-WD Short Without Flex Flange Type je izdelana za učinkovito premikanje navora v težkih strojih – kot na primer v valjarnah jekla, žerjavih, dvižni opremi in vsej tej težki opremi. Ima kompaktno, neteleskopsko zasnovo prirobnice, s premeri vrtenja v razponu od 180 mm do 1320 mm. Ta univerzalna sklopka s kratko prirobnico lahko prenese kotne neusklajenosti do 15 stopinj in navor do 16000 kN·m, tako da tudi v tesnih prostorih, kjer ni veliko prostora, zanesljivo ohranja prenos moči. Izdelujemo ga iz visoko trdnega jekla 35CrMo, z nosilno strukturo, ki ne potrebuje vijakov – kot nalašč za univerzalne spojke za težke stroje in neteleskopske univerzalne sklopke za industrijske aplikacije. Ne zahteva veliko vzdrževanja in traja večno, kar je točno tisto, kar potrebujete v težkih nastavitvah.
Naša proizvodnja na Kitajskem sledi standardom ISO 9001, zato univerzalna spojka SWC-WD zdrži v težkih pogojih. Prečna gred je kromirana, da je odporna proti koroziji, kar prispeva k njeni žilavosti. Zaradi njegove toge, varjene zasnove prirobnice je namestitev enostavna, zlasti v metalurški in rudarski opremi, kjer je aksialno gibanje precej minimalno. Velikost lahko prilagodimo vašim potrebam, zato ta trpežna kratka univerzalna spojka odlično deluje kot univerzalne spojke po meri za sisteme žerjavov in druga težka dela. Pa tudi cena je konkurenčna. Raydafonova natančna izdelava pomeni manj izpadov in zanesljivejšo opremo – nekaj, na kar lahko računajo industrijski operaterji po vsem svetu.
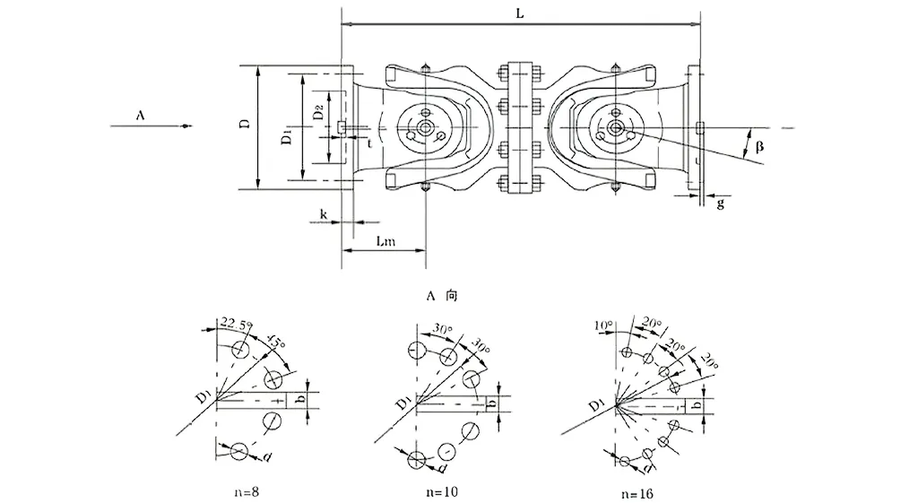
| št. | Premer vrtenja D mm | Nazivni navor Tn KN·m | Kot pregiba osi β (°) | Utrujen navor Tf KN·m | Velikost (mm) | Teža (kg) | |||||||||
| Lmin | D1 (js11) | D2 (H7) | Lm | n-d | k | t | b (h9) | g | Lmin | Povečanje 100 mm | |||||
| SWC180WD | 180 | 12.5 | 6.3 | ≤25 | 440 | 155 | 105 | 110 | 8-17 | 17 | 5 | - | - | 0.145 | 52 |
| SWC225WD | 225 | 40 | 20 | ≤15 | 480 | 196 | 135 | 120 | 8-17 | 20 | 5 | 32 | 9.0 | 0.355 | 82 |
| SWC250WD | 250 | 63 | 31.5 | 560 | 218 | 150 | 140 | 8-19 | 25 | 6 | 40 | 12.5 | 0.831 | 127 | |
| Swc285wd | 285 | 90 | 45 | 640 | 245 | 170 | 160 | 8-21 | 27 | 7 | 40 | 15.0 | 1.715 | 189 | |
| SWC315WD | 315 | 125 | 63 | 720 | 280 | 185 | 180 | 10-23 | 32 | 8 | 40 | 15.0 | 2.820 | 270 | |
| SWC350WD | 350 | 180 | 90 | 776 | 310 | 210 | 194 | 10-23 | 35 | 8 | 50 | 16.0 | 4.791 | 370 | |
| SWC390WD | 390 | 250 | 125 | 860 | 345 | 235 | 215 | 10-25 | 40 | 8 | 70 | 18.0 | 8.229 | 524 | |
| Swc440wd | 440 | 355 | 180 | 1040 | 390 | 255 | 260 | 16-28 | 42 | 10 | 80 | 20.0 | 15.320 | 798 | |
| SWC490WD | 490 | 500 | 250 | 1080 | 435 | 275 | 270 | 16-31 | 47 | 12 | 90 | 22.5 | 25.740 | 1055 | |
| SWC550WD | 550 | 710 | 355 | 1220 | 492 | 320 | 305 | 16-31 | 50 | 12 | 100 | 22.5 | 46.780 | 1524 | |
| SWC620WD | 620 | 1000 | 500 | 1360 | 555 | 380 | 340 | 10-38 | 55 | 12 | 100 | 25.0 | 83.760 | 2120 | |
* 1. Tf-pri izmenični obremenitvi navor, ki dovoljuje glede na utrujenostno trdnost.
Raydafonova kardanska sklopka SWC – običajno imenovana kardanska spojka SWC – ni le del; je obvezna oprema na težkih industrijskih področjih, kot so valjarne, dvižna oprema in vse vrste težkih nastavitev težkih strojev. Kot sklopka kardanskega zgloba z visokim navorom dobro opravlja delo pri povezovanju dveh menjalnih gredi, ki nista popolnoma poravnani, in tako zagotavlja nemoten prenos moči, tudi ko so delovni pogoji res težki.
Pogovorimo se o njegovih osnovnih specifikacijah: vrtilni premer je od φ58 do φ620, nazivni navor je od 0,15 do 1000 kN·m, kot pregiba osi pa ni večji od 25°.
Ta sklopka najbolje deluje na določenih mestih – na primer, ko potrebujete zanesljivo kardansko spojko za težke obremenitve za delovanje v valjarni ali vzdržljivo sklopko kardanske gredi SWC v opremi za dviganje in ravnanje z materialom. V teh primerih pokaže svojo moč: tudi pod velikimi obremenitvami ohranja delovanje enakomerno, brez nereda ali okvar.
Raydafonova univerzalna sklopka SWC ni samo sestavljena – izdelana je s pametnim, sodobnim inženiringom, da deluje odlično in dolgo vzdrži v industrijski uporabi. Sprehodimo se skozi tisto, zaradi česar njegova struktura izstopa.
Prvič, ima razumno in varno konfiguracijo: za to industrijsko univerzalno spojko smo uporabili integrirano zasnovo glave vilic, ki zmanjšuje tveganja, kot je zrahljanje ali zlom vijakov. Samo zaradi te prilagoditve je na splošno za 30–50 % trdnejši, tako da deluje varno in dosledno. V primerjavi z običajnimi spojkami traja veliko dlje in se izogne običajnim težavam na mestih z visoko napetostjo – kot so sistemi kardanskih sklopk za težke stroje, ki jih vidite pri težkih opravilih.
Potem je tu še njegova izboljšana nosilnost: ta univerzalna sklopka SWC za težke obremenitve je narejena za obvladovanje velikih tež, zato jo morate imeti na mestih, kjer je potrebno vrhunsko prenašanje obremenitev, kot so rudarska oprema ali gradbeni stroji.
Prav tako dosega visoko učinkovitost prenosa - do 98,6%. Kot učinkovita kardanska sklopka za velik prenos moči zmanjša porabo energije in s tem povezane stroške. Zato je najboljša izbira za energetsko varčne rešitve sklopke univerzalnih zgibov v visoko zmogljivih industrijskih prenosnih napravah.
In teče gladko z nizko stopnjo hrupa: prenos ostane stabilen, hrup pa se običajno giblje med 30–40 dB(A). Ta nizkošumna sklopka z univerzalnim zgibom zagotavlja tiho delovanje, kar je kot nalašč za industrijska mesta, kjer je hrup problem, hkrati pa ohranja zanesljivost na visoki ravni.
⭐⭐⭐⭐⭐ Zhang Wei, glavni inženir, Henan Mining Equipment Co., Ltd.
Na naše rudarske stroje smo vgradili Raydafonov SWC-WD Short Without Flex Flange Type Universal Coupling in se odlično prilega. Njegova kompaktna zasnova je ravno tisto, kar potrebujemo za ozke prostore, kjer ni veliko prostora, zgradba pa je dovolj trdna, da zagotavlja stabilno delovanje. Tudi ko deluje neprekinjeno v težkih pogojih, nas ta sklopka nikoli ne pusti na cedilu – nobenih okvar. Naši vzdrževalni ekipi je všeč, da skoraj ne potrebuje preverjanja, kar pomeni, da lahko nemoteno nadaljujemo s proizvodnjo brez dodatnih težav.
⭐⭐⭐⭐⭐ Michael Brown, vodja operacij, Texas Steel Works, ZDA
Naša teksaška delavnica je pri Raydafonu naročila univerzalno spojko SWC-WD Short Without Flex Flange Type in pošteno povedano, kakovost nas je navdušila. Spojke so zelo dobro obdelane, njihova namestitev je enostavna in zanesljivo držijo tudi pod obremenitvijo. Kaj se mi je najbolj zdelo v spominu? Kako dobro usklajuje ceno in zmogljivost - tega ne najdete pogosto. Iskanje dobavitelja, ki dosledno zagotavlja to raven kakovosti, ni enostavno, vendar je Raydafon popolnoma dokazal, da je za nas zaupanja vreden partner.
⭐⭐⭐⭐⭐ Anna Müller, nadzornica vzdrževanja, Berlin Industrial Solutions, Nemčija
Raydafon SWC-WD Short Without Flex Flange Type Universal Coupling smo vključili v našo linijo opreme Berlin in rezultati so bili odlični. Izdelek sam se zdi trden, varjenje je natančno – tu ni slabega dela – in do zdaj se je zelo dobro obdržal, kar kaže na vrhunsko vzdržljivost. V primerjavi z nekaterimi drugimi znamkami, ki smo jih uporabljali tukaj v Evropi, je ta sklopka veliko bolj zanesljiva, cena pa je tudi veliko bolj konkurenčna. Če druga podjetja iščejo zanesljive univerzalne spojke, absolutno priporočam Raydafon.
Raydafonova univerzalna sklopka SWC-WD Short Without Flex Flange Type – pogosto imenovana kardanska sklopka SWC kardanske gredi – je izdelana za ozka industrijska mesta, kjer je prostor omejen in potrebujete zasnovo s fiksno dolžino (brez teleskopskega podaljška). Kot sklopka kardanskega zgloba z visokim navorom učinkovito premika navor med gredmi, ki niso poravnane, obvladuje kotna odstopanja do 25 stopinj in ostaja zanesljiva tudi v težkih okoljih.
Pogovorimo se o njegovih ključnih lastnostih: ima kompaktno in togo strukturo – ta kratka, nefleksibilna nastavitev prirobnice je zanesljiva univerzalna sklopka za težke obremenitve za valjarna, kar daje dodatno stabilnost v nastavitvah, kjer je aksialno gibanje minimalno. Zato deluje tako dobro za povezave na fiksni razdalji v močnih strojih. Potem je tu še njegova visoka nosilnost: za izdelavo uporabljamo trpežne materiale, kot je lito železo ali legirano jeklo, zato je to vzdržljiva sklopka kardanske gredi SWC v opremi za dviganje in ravnanje z materialom. Zadržuje velike teže in prenaša več navora kot druge spojke enakega premera, zaradi česar je popoln za velike obremenitve v rudarski ali gradbeni opremi.
Ta industrijska kardanska sklopka zelo dobro kompenzira neusklajenost – ne glede na to, ali gre za kotno, vzporedno ali aksialno neusklajenost, ne vpliva na hitrost vrtenja ali prenos navora. To pomeni nemoteno delovanje v sistemih kardanskih spojk težkih strojev. Učinkovit je pri prenosu moči: z do 98,6-odstotnim izkoristkom ta univerzalna spojna sklopka SWC za težka dela ohranja nizke izgube energije, zaradi česar je učinkovita univerzalna spojna sklopka za velik prenos moči v visoko zmogljivih industrijskih napravah.
Poleg tega je zasnovan tako, da varčuje z energijo in deluje tiho – če potrebujete energetsko varčne rešitve univerzalnih zgibnih sklopk, je to najboljši izbor, ki zmanjša operativne stroške. Zadržuje hrup med 30–40 dB(A), zato je ta nizkošumna kardanska sklopka primerna prav za industrijska mesta, kjer je hrup zaskrbljujoč.
Ta sklopka resnično blesti v določenih scenarijih – na primer, ko potrebujete zanesljivo kardansko spojko za težke obremenitve za operacije valjarne ali vzdržljivo sklopko kardanske gredi SWC v opremi za dviganje in ravnanje z materialom. V teh primerih tudi pri ekstremnih obremenitvah in omejenem prostoru ohranja delovanje stabilno, brez kolcanja.
Ko gre za uporabo v industrijskih univerzalnih sklopkah, naša različica SWC-WD izstopa s pametnim inženiringom, zaradi katerega deluje bolje in traja dlje. Pogovorimo se o njegovi ključni strukturi: ima razumno, varno nastavitev z vgrajeno zasnovo glave vilic – to odpravlja težave, kot so zrahljanje ali lomljenje vijakov, s čimer se poveča skupna trdnost za 30 %-50 %. To pomeni, da deluje varno in zanesljivo, zdrži dlje od starih modelov in se izogiba običajnim okvaram na mestih z velikimi obremenitvami, kot so sistemi kardanskih sklopk za težke stroje.
Poleg tega lahko prenese precej večjo obremenitev – zgradili smo jo, da podpira večje uteži, zato je ta univerzalna sklopka SWC za težke obremenitve popolna za kraje, kjer je potrebno težko rokovanje z obremenitvijo, kot je rudarska ali gradbena oprema. Prav tako izjemno učinkovito prenaša moč, saj dosega do 98,6-odstotno učinkovitost prenosa. Kot učinkovita univerzalna spojna sklopka za velik prenos moči zmanjša porabo energije in s tem povezane stroške, zaradi česar je najboljša izbira za energetsko varčne rešitve sklopke univerzalnih zglobov v visokozmogljivih industrijskih prenosnih napravah.
In teče gladko s komaj kaj hrupa - prenos ostane stabilen, hrup pa običajno ostane med 30-40 dB(A). Ta nizkošumna sklopka univerzalnega zgloba zagotavlja tiho delovanje, kar je popolno za industrijska mesta, kjer je hrup problem, hkrati pa ohranja zanesljivost na visoki ravni.
Raydafon ni le še eno ime na področju delov za menjalnike – smo vodilni proizvajalec in dobavitelj visoko zmogljivih komponent za prenos in rešitev za industrijske stroje ter se močno osredotočamo na izdelke, kot je kardanska sklopka kardanske gredi SWC. Začeli smo, da bi bili v koraku s tem, kar globalne industrije potrebujejo, ko se razvijajo, in sčasoma smo sestavili celotno ponudbo: menjalniki, pogonske gredi, hidravlični cilindri, jermenice, natančna strojna orodja – vse to je narejeno za izboljšanje delovanja kmetijskih in težkih sektorjev. Prizadevamo si za inovacije, zato lahko dobavimo zanesljive univerzalne sklopke za težke obremenitve za operacije v valjarni, ki se brez težav prilegajo tudi najbolj zapletenim sistemom.
Tudi naše zmogljivosti so vrhunske – imamo CNC delavnice, opremo za brušenje in toplotno obdelavo ter napredne 3D merilne sisteme. Držimo se strogih standardov kakovosti, kot je ISO9001/TS16949, in ta nastavitev nam omogoča, da izdelamo rešitve za sklopke univerzalnih zgibov z visokim navorom, ki odlično prenašajo navor in obravnavajo neusklajenost kot profesionalci. Vzemimo za primer našo vzdržljivo sklopko kardanske gredi SWC v opremi za dvigovanje in ravnanje z materialom – izdelana je za kraje, ki potrebujejo visoko nosilnost. In naša industrijska povezovalna linija kardanskega zgloba? Zajema vse vrste uporab, kjer sta natančnost in trdnost najbolj pomembni.
Osemdeset odstotkov tega, kar naredimo, izvozimo – pošljemo v države, kot so ZDA, Nemčija, Japonska, Italija, Malezija, Avstralija in Bližnji vzhod. Imamo močna omrežja tudi na Kitajskem, v Južni Koreji, Združenem kraljestvu, Singapurju, ZDA in Španiji, tako da smo solidni po vsem svetu. Ta doseg nam omogoča, da ponudimo prilagojene možnosti sklopke kardanskega zgloba SWC za težke obremenitve – prilagojene natanko temu, kar potrebujejo stranke, na primer pri sistemih sklopke kardanskega zgloba za težke stroje, kjer se o stabilnosti pod ekstremnimi obremenitvami ni mogoče pogajati.
Skrbimo za trajnost in izdelavo rešitev, ki postavljajo stranke na prvo mesto. Zato razvijamo rešitve za varčevanje z univerzalno spojko, ki dosegajo do 98,6-odstotno učinkovitost prenosa in zmanjšujejo porabo energije v visokozmogljivih nastavitvah. Ne glede na to, ali potrebujete učinkovito kardansko zgibno sklopko za velik prenos moči ali tiho univerzalno zgibno sklopko za industrijska mesta, kjer je hrup problem, so naši izdelki opremljeni s popolno poprodajno storitvijo. Tako smo postali zaupanja vreden partner v panogi menjalnikov – ne samo da prodajamo dele, ampak jih podpiramo.
Naslov
Industrijsko območje Luotuo, okrožje Zhenhai, mesto Ningbo, Kitajska
Tel
E-naslov


+86-574-87168065


Industrijsko območje Luotuo, okrožje Zhenhai, mesto Ningbo, Kitajska
Copyright © Raydafon Technology Group Co., Limited Vse pravice pridržane.
Links | Sitemap | RSS | XML | Politika zasebnosti |
