koda QR
Izdelki
Kontaktiraj nas


faks
+86-574-87168065

E-naslov

Naslov
Industrijsko območje Luotuo, okrožje Zhenhai, mesto Ningbo, Kitajska
Raydafonova univerzalna spojka SWC-DH Short Flex Welding Type je izdelana za povezovanje neusklajenih gredi v težkih prestavah – kot na primer valjarnah, dvigalih in strojih za obdelavo jekla. To je kompaktna kratka fleksibilna univerzalna spojka s premerom vrtenja, ki sega od 45 mm do 390 mm. Tudi ko so gredi odmaknjene za do 25 stopinj (kotna neusklajenost), še vedno učinkovito premika navor – največ pri 1000 kN·m, kar ustreza potrebam po moči težke opreme.
Izdelamo ga iz visoko trdnega jekla 35CrMo in dodamo štiri igelne ležaje, tako da zdrži velike obremenitve. Zato je dober izbor za univerzalne spojke industrijskih strojev in odlično deluje kot varjene univerzalne spojke za težko opremo na mestih, kjer so obremenitve neprekinjeno visoke. Njegova zasnova s kratkim upogibom je popolna tudi za stroje z malo prostora za aksialno premikanje—zagotavlja trdno pritrditev prenosa v zahtevne industrijske prostore.
Raydafon je proizvajalec s sedežem na Kitajskem s certifikatom ISO 9001, zato se držimo strogih pravil kakovosti za vsako univerzalno spojko SWC-DH. Prečna gred ima kromirano ploščo za zaščito pred korozijo, tako da traja tudi v težkih pogojih. Varjen jarem olajša tudi namestitev – samo pravilno poravnajte gredi in deluje po najboljših močeh. Našli ga boste na opremi v metalurgiji, rudarstvu in žerjavnih sistemih, ni problema.
Poleg tega je ta sklopka na voljo v različnih velikostih in navorih. Če potrebujete univerzalno sklopko po meri za industrijske stroje – recimo za kombajne ali drugo posebno opremo – jo lahko prilagodimo vašim potrebam, cena pa ostane konkurenčna. Imamo proizvodno znanje in izkušnje, da ta kratka flex spojka skrajša čas izpada opreme, tako da vaši stroji na splošno delujejo bolj zanesljivo.
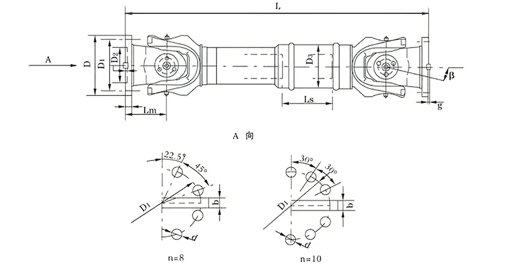
| št. | Premer vrtenja D mm | Nazivni navor Tn KN·m | Kot pregiba osi β (°) | Utrujen navor Tf KN·m | Prilagodljiva količina Ls mm | Velikost (mm) | Vrtljiva vztrajnost kg.m2 | Teža (kg) | |||||||||||
| Lmin | D1 (js11) | D2 (H7) | D3 | Lm | n-d | k | t | b (h9) | g | Lmin | Povečanje 100 mm | Lmin | Povečanje 100 mm | ||||||
| SWC180DH1 | 180 | 20 | 10 | ≤25 | 75 | 650 | 155 | 105 | 114 | 110 | 8-17 | 17 | 5 | - | - | 0.165 | 0.0070 | 58 | 2.8 |
| SWC180DH2 | 55 | 600 | 0.162 | 56 | |||||||||||||||
| SWC180DH3 | 40 | 550 | 0.160 | 52 | |||||||||||||||
| SWC225DH1 | 225 | 40 | 20 | ≤15 | 85 | 710 | 196 | 135 | 152 | 120 | 20 | 5 | 32 | 9.0 | 0.415 | 0.0234 | 95 | 4.9 | |
| SWC225DH2 | 70 | 640 | 0.397 | 92 | |||||||||||||||
| SWC250DH1 | 250 | 63 | 31.5 | ≤15 | 100 | 795 | 218 | 150 | 168 | 140 | 8-19 | 25 | 6 | 40 | 12.5 | 0.900 | 0.0277 | 148 | 5.3 |
| SWC250DH2 | 70 | 735 | 0.885 | 136 | |||||||||||||||
| SWC285DH1 | 285 | 90 | 45 | ≤15 | 120 | 950 | 245 | 170 | 194 | 160 | 8-21 | 27 | 7 | 40 | 15.0 | 1.876 | 0.0510 | 229 | 6.3 |
| SWC285DH2 | 80 | 880 | 1.801 | 221 | |||||||||||||||
| SWC315DH1 | 315 | 125 | 63 | ≤15 | 130 | 1070 | 280 | 185 | 219 | 180 | 10-23 | 32 | 8 | 40 | 15.0 | 3.331 | 0.0795 | 346 | 8.0 |
| SWC315DH2 | 90 | 980 | 3.163 | 334 | |||||||||||||||
| SWC350DH1 | 350 | 180 | 90 | ≤15 | 140 | 1170 | 310 | 210 | 267 | 194 | 10-23 | 35 | 8 | 50 | 16.0 | 6.215 | 0..2219 | 508 | 15.0 |
| SWC350DH2 | 90 | 1070 | 5.824 | 485 | |||||||||||||||
| SWC390DH1 | 390 | 250 | 125 | ≤15 | 150 | 1300 | 345 | 235 | 267 | 215 | 10-25 | 40 | 8 | 70 | 18.0 | 11.125 | 0.2219 | 655 | |
| SWC390DH2 | 90 | 1200 | 10.763 | 600 | |||||||||||||||
* 1. Tf-pri izmenični obremenitvi navor, ki dovoljuje glede na utrujenostno trdnost. * 2. Lmin-najmanjša dolžina po rezu. * 3. L-namestitvena dolžina, ki je v skladu z zahtevami
Sklopka univerzalnega zgloba SWC, pogosto imenovana sklopka univerzalnega zgloba kardanske gredi SWC, je ključna komponenta v težkih industrijskih scenarijih. Nepogrešljiv je za valjarne, dvižne stroje in različne sisteme velikih težkih strojev. Kot kardanska sklopka z visokim navorom lahko učinkovito poveže dve menjalni gredi z nesovpadajočima osema, kar zagotavlja neprekinjen prenos moči tudi v zapletenih in težkih delovnih pogojih.
Glavni tehnični parametri te sklopke so naslednji:
Premer vrtenja: φ58 - φ620
Nazivni navor: 0,15 - 1000 kN·m
Kot pregiba osi: ≤25°
V praktičnih aplikacijah se obnese izjemno dobro. Ta izdelek je na primer popolnoma kompetenten med delovanjem valjarne, ko je potrebna zanesljiva kardanska sklopka za težke obremenitve, namenjena valjarnam, ali pri opremi za dviganje in ravnanje z materialom, ko je potrebna vzdržljiva sklopka kardanske gredi SWC. Tudi pri velikih obremenitvah lahko stabilno vzdržuje stabilnost delovanja opreme.
Spojka s kardanskim zglobom SWC je zasnovana z uporabo naprednih inženirskih načel, ki zagotavljajo izjemno zmogljivost in daljšo življenjsko dobo v industrijskih okoljih. Njegove glavne strukturne značilnosti so naslednje:
Razumna in varna struktura: ta industrijska univerzalna spojna spojka z vgrajeno zasnovo glave vilic zmanjšuje tveganje popuščanja ali zloma vijakov in povečuje strukturno trdnost za 30 %-50 %. Ta zasnova zagotavlja varno in zanesljivo delovanje, podaljšuje življenjsko dobo v primerjavi s tradicionalnimi modeli in preprečuje običajne okvare v visokotlačnih scenarijih, kot so sistemi kardanskih sklopk za težke stroje.
Izboljšana nosilnost: SWC univerzalna sklopka za težke obremenitve je posebej zasnovana za prenašanje velikih obremenitev, zaradi česar je bistvena v scenarijih, ki zahtevajo odlično obvladovanje obremenitev, kot so rudarski ali gradbeni stroji.
Visoka učinkovitost prenosa: z izkoristkom do 98,6 %, ta učinkovita kardanska spojna sklopka za visokozmogljiv prenos znatno zmanjša porabo energije in s tem povezane stroške, zaradi česar je prva izbira za energetsko varčne rešitve kardanske spojke v visokozmogljivih industrijskih prenosnih sistemih.
Stabilno delovanje z nizko stopnjo hrupa: Ta nizkošumna sklopka z univerzalnim zgibom deluje stabilno z ravnjo hrupa, običajno med 30–40 dB(A), kar zagotavlja tiho delovanje. Idealen je za okolja, občutljiva na hrup, hkrati pa ohranja visoko zanesljivost.
Sklopke kardanskega zgloba, zlasti kardanska sklopka SWC, so zaradi svojih izjemnih prednosti postale nepogrešljive komponente prenosa v industrijskih aplikacijah. S svojo zmogljivostjo na področjih, kot so težki stroji, natančna proizvodnja in prenos energije, lahko zadovoljijo osnovne potrebe. Spodaj je podrobna analiza njihovih ključnih prednosti:
1. Močan prenos navora in odlična kompenzacija neusklajenosti
Kot kardanska sklopka z visokim navorom lahko stabilno prenaša obremenitve velike moči. Tudi v scenarijih, kjer med delovanjem valjarne pogosto prihaja do neusklajenosti gredi – kot je osni zamik zaradi obrabe valjev in temperaturnih sprememb med valjanjem jekla – ta zanesljiva kardanska sklopka za težke obremenitve za delovanje valjarne to z lahkoto obvlada. Hkrati lahko kompenzira kotne, aksialne in radialne neusklajenosti z največjim kotnim odmikom do 25 stopinj. Ta odlična prilagodljivost neusklajenosti preprečuje zastoje menjalnika, ki jih povzroči neusklajenost gredi, zagotavlja neprekinjeno in stabilno dostavo moči, bistveno zmanjša verjetnost mehanskih okvar v ekstremnih delovnih pogojih in zagotavlja neprekinjeno delovanje proizvodnih linij.
2. Visoka vzdržljivost in daljša življenjska doba
Zasnova in izbira materialov kardanskih sklopk SWC sta osredotočena na "odpornost na velike obremenitve in odpornost na težka okolja". Glavno ohišje je izdelano iz visoko trdnega legiranega jekla v kombinaciji z integrirano strukturo glave vilic, ki bistveno zmanjša običajne točke okvar, kot so popuščanje vijakov in zlom komponent. Če za primer vzamemo vzdržljivo sklopko kardanske gredi SWC, ki se uporablja v opremi za dvigovanje in ravnanje z materialom, lahko prenese trenutno udarno obremenitev pri dvigovanju težkih predmetov in ohrani stabilno delovanje v težkih okoljih, kot so prah in visoke temperature. V primerjavi s tradicionalnimi sklopkami z deljeno strukturo ima ta industrijska kardanska sklopka skupno trdnost, povečano za 30 %-50 %, kar ne le zmanjša pogostost dnevnega vzdrževanja, ampak tudi podaljša življenjsko dobo za 2-3 leta. Posebej primeren je za potrebe dolgotrajnega delovanja pri visokih obremenitvah sistemov kardanskih spojk težkih strojev.
3. Visoka učinkovitost prenosa in pomemben učinek varčevanja z energijo
Preizkusi so pokazali, da je učinkovitost prenosa težke kardanske sklopke SWC kar 98,6 %, kar ima očitne prednosti v scenarijih industrijskega prenosa visoke moči, kot so ventilatorji plavžev v jeklarnah in sistemi za transport premoga v elektrarnah. Za opremo, ki zahteva stalen prenos visoke moči, lahko ujemanje s to učinkovito univerzalno spojko za velik prenos moči zmanjša izgubo moči. Za podjetja, ki si prizadevajo za rešitve za varčevanje z univerzalno spojko, je to visoko učinkovitost mogoče neposredno pretvoriti v stroškovne prednosti: če vzamemo za primer industrijski motor s 1500 kW, lahko prihrani več kot 12.000 juanov pri stroških električne energije na leto in lahko pomaga podjetjem zmanjšati znatne operativne stroške pri dolgoročni uporabi, hkrati pa sledi trendom varčevanja z energijo in zmanjševanja porabe na industrijskem področju.
4. Stabilno in tiho delovanje, primerno za več scenarijev
Z optimizacijo natančnosti prileganja ležajev in uporabo mazalne masti z nizkim koeficientom trenja je hrup delovanja te tihe sklopke kardanskega zgloba strogo nadzorovan na 30–40 dB(A), kar je enakovredno ravni hrupa v dnevni pisarni in je popolnoma v skladu s standardi emisij hrupa industrijskih območij. V scenarijih, ki so občutljivi na hrup – kot so proizvodne linije v obratih za predelavo hrane in transportna oprema za precizne elektronske komponente – lahko ne le zagotovi stabilnost in zanesljivost prenosnega sistema, ampak tudi prepreči, da bi hrup vplival na okolje v delavnici ali delovne izkušnje zaposlenih. Hkrati lahko stabilne lastnosti prenosa tudi zmanjšajo obrabo okoliških komponent, ki jih povzročajo vibracije opreme, kar dodatno izboljša stabilnost delovanja in življenjsko dobo celotnega proizvodnega sistema.
Univerzalna sklopka SWC-DH s kratkim upogibnim varjenjem, ki se pogosto imenuje kardanska sklopka SWC, se uporablja predvsem v scenarijih težkih strojev, kot so valjarne in dvigala. Ta vrsta opreme ima izjemno visoke zahteve glede strukturne kompaktnosti in fleksibilnosti – samo z izpolnjevanjem teh dveh točk je mogoče doseči učinkovito delovanje in ta sklopka popolnoma izpolnjuje te potrebe. Kot sklopka kardanskega zgloba z visokim navorom lahko učinkovito poveže dve menjalni gredi z nesovpadajočima osema, kar zagotavlja brezhiben prenos moči tudi v težkih industrijskih okoljih, ki zahtevajo natančno kompenzacijo za neskladje sistema gredi.
V praktičnih aplikacijah, ne glede na to, ali je med delom v valjarni potrebna zanesljiva kardanska sklopka za težke obremenitve ali pa je potrebna vzdržljiva sklopka kardanske gredi SWC v opremi za dvigovanje in ravnanje z materialom, lahko ta izdelek deluje odlično – lahko vzdržuje stabilno delovanje opreme tudi pod ekstremnimi obremenitvami. Prednost njegove prilagodljivosti je še posebej izrazita pri postavitvah kompaktne opreme, kjer je prostor omejen in je potrebna kratka fleksibilna konstrukcija.
Ta industrijska univerzalna sklopka SWC-DH je izdelana z napredno inženirsko tehnologijo in optimizirana za zmogljivost in življenjsko dobo posebej za industrijske scenarije. Njegova osrednja strukturna značilnost je razumna in varna zasnova: integrirana struktura glave vilic v osnovi odpravlja skrite nevarnosti popuščanja ali zloma vijakov, s čimer se poveča skupna trdnost za 30%-50%. Ta zasnova ne zagotavlja le varnosti in zanesljivosti delovanja, temveč tudi podaljšuje življenjsko dobo v primerjavi s tradicionalnimi modeli, hkrati pa se izogne pogostim težavam z okvarami v scenarijih uporabe z visoko obremenitvijo, kot so sistemi kardanskih sklopk za težke stroje.
Poleg tega je njegova nosilnost povečana z zasnovo, da prenese večje teže, zato je ta univerzalna sklopka SWC za težka dela zelo primerna za scenarije s strogimi zahtevami glede nosilnosti, kot so rudarski stroji in gradbena oprema. Kar zadeva učinkovitost prenosa, dosega do 98,6%. Kot učinkovita kardanska sklopka za velik prenos moči lahko znatno zmanjša porabo energije in stroške električne energije, zaradi česar je prednostni izdelek za energetsko varčne rešitve kardanske sklopke na področju industrijskih prenosov velike moči.
Nazadnje, ta sklopka ima stabilen prenos, pri čemer je hrup med delovanjem običajno nadzorovan pri 30–40 dB(A), zaradi česar je nizkošumna sklopka kardanskega zgloba. Ta lastnost mu omogoča tiho delovanje tudi v industrijskih okoljih, ki so občutljivi na hrup, hkrati pa ves čas ohranja visoko zanesljivost.
⭐⭐⭐⭐⭐ Wang Lei, projektni inženir, Guangdong Heavy Machinery Co., Ltd.
Že nekaj časa uporabljamo univerzalno spojko Raydafon SWC-DH Short Flex Welding Type v naših težkih strojih in je bilo prijetno presenečenje – še posebej, ko gre za prileganje na ozka mesta. Naša oprema ima precej omejen prostor za dele menjalnika, vendar se kompaktna zasnova te sklopke prilega kot ulita, ni vam treba preurediti drugih komponent, samo da bi delovala.
Še bolje pa je, da zmogljivosti ne žrtvuje zaradi velikosti. Še vedno zagotavlja močan in stabilen prenos navora – ključnega pomena za naše težke operacije. Neprekinjeno ga izvajamo več tednov in ni bilo nobenih nenormalnih vibracij; celoten sistem ostane gladek. Kakovost varjenja je še en poudarek - lahko ugotovite, da je trden že s pogledom nanj, kar nam daje popolno zaupanje, da bo vzdržal dolgoročno intenzivno uporabo. Za sklopko, ki združuje prostorsko varčno zasnovo in zanesljivost, je ta zmagovalka.
⭐⭐⭐⭐⭐ Zhao Ming, vodja nabave, Tianjin Steel Equipment Co., Ltd.
Nedavno smo pri Raydafonu naročili več sklopk SWC-DH in moram reči, da je bil celoten postopek nabave vetrič – brez glavobolov, brez zamud. Od trenutka, ko smo poslali naročilo, je bila njihova ekipa odzivna in dostava je prispela točno na načrtovani datum, kar je velik plus za ohranjanje naše proizvodnje na pravi poti. Tudi embalaža je bila vrhunska: vsaka sklopka je bila varno zavita, brez udrtin ali poškodb med pošiljanjem – pripravljena za odstranitev embalaže in namestitev.
Naša tehnična ekipa je skrbela za nastavitev in takoj so omenili, kako enostavno je bilo montirati. Brez zapletenih korakov, ni potrebe po iskanju posebnih orodij – hitro so ga namestili in od takrat deluje zanesljivo. Če upoštevate razumno ceno v kombinaciji s to dosledno zmogljivostjo, je jasno, da ta povezava ponuja veliko vrednost. Že načrtujemo, da ga bomo obdržali na rednem seznamu nabav; to je vrsta izdelka, ki mi kot kupcu olajša delo.
⭐⭐⭐⭐⭐ Liu Hong, direktor vzdrževanja, industrijska skupina Shandong
Kot nekdo, ki nadzira vzdrževanje opreme, je moja največja prednostna naloga skrajšanje izpadov in čas, ki ga moja ekipa porabi za servisiranje delov. Raydafonova spojka SWC-DH popolnoma preveri obe škatli. Uporabljamo ga v opremi, ki je dnevno obremenjena z velikimi delovnimi obremenitvami, in nikoli ne zdrsne ali se premakne – ostane trdno na mestu, brez ohlapnih povezav. Tudi po večmesečni uporabi je komajda kakršen koli znak obrabe, kar je velik kontrast z drugimi spojkami, ki smo jih uporabljali prej.
Pri teh starejših spojkah smo vedno načrtovali hitre popravke ali zamenjave delov, kar je pojedlo proizvodni čas in povečalo stroške. tale? Komaj se ga dotaknemo – brez pogostih servisov, brez nepričakovanih okvar. Prihranil nam je toliko časa in denarja pri vzdrževanju in še naprej zanesljivo opravlja svoje delo. Dandanes je postal pogost sestavni del našega vsakodnevnega delovanja; Ni mi treba skrbeti, da bo neuspešno, kar mi omogoča, da se osredotočim na druge prednostne naloge. To je točno tak zanesljiv del, ki ga potrebuje vsaka vzdrževalna ekipa.
Naslov
Industrijsko območje Luotuo, okrožje Zhenhai, mesto Ningbo, Kitajska
Tel
E-naslov


+86-574-87168065


Industrijsko območje Luotuo, okrožje Zhenhai, mesto Ningbo, Kitajska
Copyright © Raydafon Technology Group Co., Limited Vse pravice pridržane.
Links | Sitemap | RSS | XML | Politika zasebnosti |
