koda QR
Izdelki
Kontaktiraj nas


faks
+86-574-87168065

E-naslov

Naslov
Industrijsko območje Luotuo, okrožje Zhenhai, mesto Ningbo, Kitajska
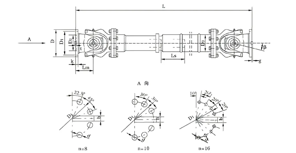
Raydafonova univerzalna spojka s standardno fleksibilno prirobnico SWC-BF je izdelana za zanesljivo premikanje navora v težkih strojih – pomislite na valjarnah, opremi za izdelavo papirja, industrijskih pogonih, vseh nastavitvah, ki zahtevajo visoko zmogljivost. Ima prilagodljivo zasnovo prirobnice s premeri vrtenja v razponu od 180 mm do 620 mm, ta standardna univerzalna spojka flex pa obvlada kotne neusklajenosti do 15 stopinj in navor do 1250 kN·m. Tudi v zahtevnih delovnih okoljih deluje enakomerno, brez padcev. Izdelujemo ga z visoko trdnim jeklom 35CrMo in natančnimi igličnimi ležaji, zato je popoln kot univerzalne spojke za industrijske stroje in spojke s fleksibilnimi prirobnicami za težko opremo – močno prenaša moč in komaj opazite kakršne koli vibracije.
Naša proizvodnja na Kitajskem sledi standardom ISO 9001, zato univerzalna spojka SWC-BF zdrži dolgo in je odporna proti koroziji – vse zahvaljujoč kromirani prečni gredi. Prirobnična povezava olajša namestitev, kar je v veliko pomoč na področjih, kot so metalurgija, rudarstvo in ladjedelništvo – kjer potrebujete zmerno aksialno fleksibilnost. Prilagodimo mu lahko tudi velikost in vrednosti navora, tako da ta trpežna univerzalna spojka flex odlično deluje kot univerzalna sklopka po meri za valjarne in druge industrijske potrebe. In cena je konkurenčna, brez previsokih stroškov. Raydafonovo znanje in izkušnje pomenijo, da boste porabili manj časa za vzdrževanje, vaša oprema pa bo ostala bolj zanesljiva – nekaj, na kar lahko operaterji po vsem svetu računajo.
| št. | Premer vrtenja D mm | Nazivni navor Tn KN·m | Kot pregiba osi β (°) | Utrujen navor Tf KN·m | Prilagodljiva količina Ls mm | Velikost (mm) | Vrtljiva vztrajnost kg.m2 | Teža (kg) | |||||||||||
| Lmin | D1 (js11) | D2 (H7) | D3 | Lm | n-d | k | t | b (h9) | g | Lmin | Povečanje 100 mm | Lmin | Povečanje 100 mm | ||||||
| SWC180BF | 180 | 12.5 | 6.3 | ≤25 | 100 | 810 | 155 | 105 | 114 | 110 | 8-17 | 17 | 5 | -1.455 | - | 0.27 | 0.0070 | 80 | 2.8 |
| SWC225BF | 225 | 40 | 20 | ≤15 | 140 | 920 | 196 | 135 | 152 | 120 | 8-17 | 20 | 5 | 32 | 9 | 0.79 | 0.0234 | 138 | 4.9 |
| SWC250BF | 250 | 63 | 31.5 | 1035 | 218 | 150 | 168 | 140 | 8-19 | 25 | 6 | 40 | 12.5 | 1.46 | 0.0277 | 196 | 5.3 | ||
| SWC285BF | 285 | 90 | 45 | 1190 | 245 | 170 | 194 | 160 | 8-21 | 27 | 7 | 40 | 15 | 2.87 | 0.0510 | 295 | 6.3 | ||
| SWC315BF | 315 | 125 | 63 | 1315 | 280 | 185 | 219 | 180 | 10-23 | 32 | 8 | 40 | 15 | 5.09 | 0.0795 | 428 | 8.0 | ||
| SWC350BF | 350 | 180 | 90 | 150 | 1410 | 310 | 210 | 267 | 194 | 10-23 | 35 | 8 | 50 | 16 | 9.20 | 0.2219 | 632 | 15.0 | |
| SWC390BF | 390 | 250 | 125 | 170 | 1590 | 345 | 235 | 267 | 215 | 10-25 | 40 | 8 | 70 | 18 | 16.62 | 0.2219 | 817 | 15.0 | |
| SWC440BF | 440 | 355 | 180 | 190 | 1875 | 390 | 255 | 325 | 260 | 16-28 | 42 | 10 | 80 | 20 | 28.24 | 0.4744 | 1290 | 21.7 | |
| SWC490BF | 490 | 500 | 250 | 190 | 1985 | 435 | 275 | 325 | 270 | 16-31 | 47 | 12 | 90 | 22.5 | 46.33 | 0.4744 | 1631 | 21.7 | |
| SWC550BF | 550 | 710 | 355 | 240 | 2300 | 492 | 320 | 426 | 305 | 16-31 | 50 | 12 | 100 | 22.5 | 86.98 | 1.3570 | 2567 | 34.0 | |
| SWC620BF | 620 | 1000 | 500 | 240 | 2500 | 555 | 380 | 426 | 340 | 10-38 | 55 | 12 | 100 | 25 | 147.50 | 1.3570 | 3267 | 34.0 | |
Univerzalne sklopke – imenovane tudi sklopke z univerzalnimi zglobi – so mehanski deli, ki premikajo navor in rotacijsko gibanje med dvema gredema, ki morda nista popolnoma poravnani. Obvladajo kotne, aksialne in radialne neusklajenosti, hkrati pa ohranjajo učinkovit prenos moči pri različnih industrijskih uporabah. Pri Raydafonu je naša serija sklopk za kardanske gredi SWC odličen primer vrhunskega inženiringa tukaj, saj ponuja rešitve za sklopke za kardanske gredi z visokim navorom, narejene samo za težka mesta, kot so valjarne in dvižni stroji.
Razčlenimo glavne vrste sklopk univerzalnih zgibov:
Najprej je enojni univerzalni zglob. Ima eno vrtišče v obliki križa, ki povezuje dva jarma, kar omogoča kotni odklon gredi do 45 stopinj. Dobro deluje pri nastavitvah z zmernimi odmiki, čeprav lahko povzroči spremembe hitrosti. Raydafonova zanesljiva univerzalna zgibna sklopka za težke obremenitve za operacije valjarne pogosto uporablja zasnove z enim zgibom v kompaktnih zgradbah, zato odlično vzdrži tudi pri velikih obremenitvah.
Potem je tu še dvojni univerzalni zglob. Ima dva posamezna zgloba, ki sta povezana skupaj, kar obvladuje večje neusklajenosti in ohranja hitrost prenosa skoraj konstantno – kot nalašč za zapletene nastavitve gredi. Ko potrebujete vzdržljivo sklopko kardanske gredi SWC v opremi za dviganje in ravnanje z materialom, Raydafonovi modeli z dvojnimi zglobi povečajo stabilnost in zmanjšajo tresljaje v visoko obremenjenih industrijskih sistemih sklopke kardanskega zgloba.
Sledi teleskopski ali raztegljivi univerzalni zglob. Ima utore ali drsne dele, ki vam omogočajo prilagajanje dolžine, hkrati pa kompenzirajo neporavnanost, kar deluje pri osnih premikih v dinamičnih nastavitvah. Raydafonova univerzalna spojna spojka SWC za težke obremenitve vključuje teleskopske možnosti – delujejo kot učinkovita univerzalna spojna spojka za velik prenos moči na mestih, kot so rudniki ali gradbišča, kjer potrebujete prilagodljivost dolžine gredi.
Obstajajo tudi vrste pesta s polnim, izvrtanim ali z utorom. Ta se razlikujejo glede na to, kako se povezujejo: polna pesta nimajo lukenj, vrtana pesta imajo okrogle, šestrobe ali kvadratne odprtine, nazobčana pesta pa imajo utore za tesno prileganje. Za energetsko varčne rešitve za sklopke kardanskih zgibov Raydafon ponuja zasnove z utori v naši liniji sklopk z nizkim hrupom – optimizirajo prenos navora in zmanjšajo hrup na 30–40 dB(A) na občutljivih industrijskih mestih.
Raydafonove kardanske sklopke, vključno s serijo SWC, so izdelane z integrirano zasnovo glave vilice – nič več težav, povezanih z vijaki, kar poveča moč za 30 %-50 % in doseže učinkovitost prenosa do 98,6 %. Zaradi teh lastnosti so naši izdelki najboljša izbira za profesionalce, ki potrebujejo prilagojene, visoko zmogljive rešitve.
Univerzalne sklopke – vzemite kardansko spojko kardanske gredi Raydafon SWC kot glavni primer – prinašajo velike prednosti industrijskim prenosnim sistemom. Učinkovito premikajo navor med gredmi, ki niso poravnane, obvladujejo vse vrste odstopanj in so nujni za nemoteno delovanje v težkih okoljih – kot so tista, ki potrebujejo rešitve univerzalnih spojk z visokim navorom.
Poglobimo se v njihove glavne prednosti: Prvič, odlični so pri kompenzaciji neporavnanosti. Univerzalne sklopke obvladajo kotne, aksialne in radialne neusklajenosti do 25 stopinj, zaradi česar so zanesljive univerzalne sklopke za težke obremenitve za operacije v valjarni. To storijo brez dodajanja prevelike mehanske obremenitve ali vibracij, tako da vaši stroji ostanejo zaščiteni.
Potem sta tu še njihova močna vzdržljivost in dolga življenjska doba. Te spojke izdelujemo z integrirano zasnovo glave vilice in materiali z visoko trdnostjo, kar zmanjša tveganja, kot je zrahljanje ali lomljenje vijakov – kar poveča strukturno celovitost za 30 %-50 %. Zato vzdržljiva sklopka kardanske gredi SWC v opremi za dviganje in ravnanje z materialom tako dobro deluje pri dolgih odsekih v težkih pogojih; dolgotrajno presega tradicionalne modele.
Imajo tudi vrhunsko nosilnost in navor. Industrijska kardanska sklopka, ki je zasnovana za prenašanje velikih uteži in prenos nazivnih navorov od 0,15 do 1000 kN·m, blesti v sistemih kardanske sklopke za težke stroje. V teh nastavitvah je dosledna zmogljivost pod ekstremnimi obremenitvami pomembna in ta povezava zagotavlja vedno.
Ko gre za učinkovitost prenosa moči, jih je težko premagati. Zmogljiva kardanska sklopka SWC z učinkovitostjo do 98,6 % ohranja nizke izgube energije. Zaradi tega je učinkovita univerzalna sklopka za velik prenos moči v industrijskih aplikacijah z veliko močjo, sčasoma pa se ta učinkovitost doda k resničnim prihrankom stroškov.
Nenazadnje varčujejo z energijo in delujejo tiho. Kot energijsko varčne rešitve kardanske sklopke zmanjšajo porabo električne energije in delujejo pri samo 30–40 dB(A). Ta nizkošumna univerzalna sklopka je popolna za industrijska mesta, kjer je hrup zaskrbljujoč – dobite vso zanesljivost, ki jo potrebujete, brez glasnega delovanja.
Univerzalne sklopke – večina jih imenuje kardanske sklopke – delujejo na preprosti, a učinkoviti mehanski ideji: premikajo navor in rotacijsko gibanje med dvema gredema, ki nista popolnoma poravnani, pri čemer obravnavajo kotne, aksialne in radialne neusklajenosti, ne da bi preskočili utrip. Vzemite za primer Raydafonovo spojko kardanske gredi SWC – to je odlična predstavitev tega principa. Uporablja vrtišče v obliki križa (pogosto ga imenujemo pajek) za povezavo jarmov na vsaki gredi, tako da se moč nemoteno prenaša tudi v obremenjenih industrijskih nastavitvah.
Srce njegovega delovanja je križno vrtenje: omogoča, da se jarma vrtita neodvisno, kar nadomesti nagibe gredi do 25 stopinj, hkrati pa ohranja dosleden prenos navora. Ta sklopka z univerzalnim zgibom z visokim navorom prav tako ohranja minimalne spremembe vrtilne hitrosti – še posebej, če gre za zasnovo z dvojnim zgibom – zato je popolna za dela, ki potrebujejo zanesljivo sklopko z univerzalnim zgibom za težke obremenitve za operacije v valjarni. Z Raydafonovo serijo SWC smo dodali integrirano zasnovo glave vilice, da bi ta mehanizem naredili še boljši: odpravlja težave, kot je popuščanje vijakov, povečuje strukturno trdnost za 30 %-50 % in pomaga, da zdrži dlje na mestih z visoko obremenitvijo.
Ta princip podpira tudi veliko nosilnost. Sklopka obvladuje nazivne navore od 0,15 do 1000 kN·m, s premeri kroženja med φ58 in φ620 – zato je trpežna sklopka kardanske gredi SWC v opremi za dvigovanje in ravnanje z materialom tako dobra izbira za težke operacije. Poleg tega industrijska kardanska sklopka dosega do 98,6-odstotno učinkovitost prenosa, kar zmanjša porabo energije v sistemih kardanske sklopke za težke stroje.
Še več, Raydafonova težka univerzalna spojna spojka SWC ima funkcije, ki se ujemajo z osredotočenostjo načela na nemoteno delovanje: ohranja enakomeren prenos, hrup pa ostane med 30-40 dB(A). Zaradi tega je učinkovita kardanska sklopka za velik prenos moči in vrhunska rešitev za varčevanje z energijo za univerzalne spojke za industrijske nastavitve visoke moči. Skratka, ta nizkošumna sklopka z univerzalnim zgibom ohranja stvari tiho, zato odlično deluje na mestih, kjer je hrup zaskrbljujoč – brez žrtvovanja zanesljivosti.
⭐⭐⭐⭐⭐ Li Jun, višji inženir, Jiangsu Power Equipment Co., Ltd.
Že nekaj mesecev uporabljamo univerzalno spojko Raydafon SWC-BF Standard Flex Flange Type in deluje odlično. Kar najbolj izstopa, je prilagodljivost te sklopke - zaradi nje so naši stroji veliko bolj zanesljivi, zlasti ko gre za kompenzacijo neusklajenosti gredi. Namestitev je potekala gladko, brez zapletenih korakov, kakovost zvara pa je tudi solidna – vsekakor smo prepričani, da bo zdržal. Glede na ceno je to res dobra vrednost in če delate v industriji težkih strojev, bi absolutno priporočil to univerzalno sklopko s prilagodljivo prirobnico.
⭐⭐⭐⭐⭐ John Davis, strojni inženir, Manchester Engineering Ltd., Združeno kraljestvo
V našem obratu v Manchestru smo zamenjali staro sklopko za univerzalno spojko Raydafon SWC-BF Standard Flex Flange Type in razlika je bila očitna takoj. Ta univerzalna sklopka gladko in učinkovito prenaša moč, tudi ko jo uporabljamo v pogojih visokega stresa – nikoli ne popusti. Prilagodljivost v kombinaciji z njegovo trdno zasnovo zagotavlja, da naši stroji delujejo brez težav. Poleg tega nam je Raydafon hitro dostavil, njihova podpora strankam pa je bila vrhunska – zaradi česar je bila celotna nakupna izkušnja veliko boljša. Zelo priporočam to zanesljivo univerzalno spojko s fleksibilno prirobnico!
⭐⭐⭐⭐⭐ Matteo Rossi, vodja operacij, Milan Industrial Solutions, Italija
Bili smo na lovu za univerzalno spojko, ki bi lahko dobro obvladala neusklajenost, in tako smo našli univerzalno spojko Raydafon SWC-BF Standard Flex Flange Type. Uporabljamo ga že nekaj tednov in zagotovo lahko rečem, da preverja vsa naša polja. Namestitev je bila enostavna, brez dodatnih težav in tudi ko smo ga postavili skozi zahtevne pogoje, zdrži. Kakovost je izjemna glede na ceno – vsekakor pametna naložba za naše stroje. Zelo sem zadovoljen z izdelkom in storitvijo, ki nam jo je ponudil Raydafon.
Raydafon ni le proizvajalec – smo vodilni dobavitelj vrhunskih komponent prenosa in rešitev za industrijske stroje ter imamo globoko strokovno znanje in izkušnje na področju izdelkov, kot je kardanska sklopka kardanske gredi SWC. Začeli smo z inovacijami in kakovostjo v našem jedru, sčasoma pa smo našo linijo razširili tako, da vključuje menjalnike, pogonske gredi, hidravlične cilindre, jermenice in napredna strojna orodja – vse je bilo izdelano za izpolnjevanje strogih zahtev kmetijske in težke industrije. Naše rešitve za sklopke univerzalnih zgibov z visokim navorom so izdelane skrbno in zagotavljajo nemotene prenose navora in pravilno obravnavo neusklajenosti – nujno jih morajo imeti stranke, ki potrebujejo zanesljive sklopke z univerzalnimi zgibi za težke obremenitve za delovanje v valjarni.
Naši proizvodni obrati so najsodobnejši: imamo CNC delavnice, orodja za brušenje in toplotno obdelavo ter 3D merilne sisteme. Držimo se strogih standardov, kot je ISO9001/TS16949, zato je vsaka industrijska kardanska sklopka, ki jo izdelamo, natančna in izdelana tako, da traja. Vzemimo za primer našo vzdržljivo sklopko kardanske gredi SWC v opremi za dviganje in ravnanje z materialom – optimizirana je za kraje, ki potrebujejo veliko nosilnost. In naša univerzalna sklopka SWC za težke obremenitve? Rešuje težave pri sklopnih sistemih univerzalnih zgibov težkih strojev, kjer se ni mogoče pogajati o stabilnosti v ekstremnih pogojih.
Veliki smo tudi na področju globalnega dosega – 80 % naših izdelkov izvozimo na trge, kot so ZDA, Nemčija, Japonska, Italija, Malezija, Avstralija in Bližnji vzhod. Imamo močno mrežo po vsej Kitajski, Južni Koreji, Združenem kraljestvu, Singapurju, ZDA in Španiji, kar nam omogoča ustvarjanje učinkovite univerzalne sklopke po meri za velike možnosti prenosa moči. Ti so prilagojeni posebnim potrebam, kot so naše rešitve za varčevanje z univerzalno spojko, ki dosegajo do 98,6-odstotno učinkovitost prenosa, kar zmanjšuje porabo energije v visokozmogljivih nastavitvah.
Trajnost in inovacije, osredotočene na stranke, so za nas pomembne. Zato ponujamo nizkošumne možnosti spojke univerzalnih zgibov, ki ohranjajo hrup med 30–40 dB(A) – kot nalašč za industrijska mesta, kjer je hrup zaskrbljujoč. In vse podpiramo s popolno poprodajno podporo. Zaradi naše zavezanosti, da delamo stvari pravilno, je Raydafon zanesljiv partner v industriji prenosa, ki strokovnjakom pomaga doseči najboljše rezultate in zanesljivost iz svoje opreme.
Naslov
Industrijsko območje Luotuo, okrožje Zhenhai, mesto Ningbo, Kitajska
Tel
E-naslov


+86-574-87168065


Industrijsko območje Luotuo, okrožje Zhenhai, mesto Ningbo, Kitajska
Copyright © Raydafon Technology Group Co., Limited Vse pravice pridržane.
Links | Sitemap | RSS | XML | Politika zasebnosti |
