koda QR
Izdelki
Kontaktiraj nas


faks
+86-574-87168065

E-naslov

Naslov
Industrijsko območje Luotuo, okrožje Zhenhai, mesto Ningbo, Kitajska
Če vaša težka mehanizacija – na primer gradbena oprema, ki ves dan vleče tovor, ali kmetijski žetveni stroji, ki delajo neprekinjeno skozi setveno sezono – potrebuje spojko, ki se prilega tesnim prostorom, a še vedno zagotavlja velik navor, je Raydafonova super kratka gibljiva spojka univerzalnega zgloba SWP-G točno to, kar iščete. Izdelan je posebej za tiste kompaktne nastavitve, kjer šteje vsak palec, brez varčevanja z močjo, ki jo potrebujete.
Najprej se pogovorimo o njegovi velikosti: ta »super kratka« zasnova ni samo oznaka – izdelana je tako, da se stisne na ozka mesta, ki jih druge sklopke ne morejo doseči, kar je rešilna rešitev, ko so komponente vašega stroja zapakirane tesno skupaj. Njegov premer kroženja sega od 225 mm do 350 mm, tako da se prilega prav v srednje velike nastavitve težke opreme. Kot kratka flex kardanska sklopka prenese do 5 stopinj kotne neusklajenosti – kar je dovolj za upoštevanje majhnih premikov, ki se zgodijo, ko stroji tečejo močno – medtem ko prenaša navor do 224 kN·m. Vgrajen ima tudi prilagodljiv element, ki absorbira udarce in tresljaje, tako da vaši drugi deli ne prevzamejo največjega bremena obrabe.
Tudi pri materialih se nismo odrekli. Izdelan je iz jekla visoke trdnosti za vzdržljivost in bronastih komponent, ki njegovemu gibanju dodajo gladkost – tako da zdrži na grobih gradbiščih ali v prahu in ruševinah kmetijskih polj. Zato je najboljša izbira za kardanske sklopke za težke stroje; ne deluje samo enkrat - nadaljuje, tudi ko postanejo razmere neurejene. Za kmete je to tudi zanesljiva fleksibilna sklopka za kmetijsko opremo, ki je dovolj močna, da prenese dolge ure žetvene sezone, ne da bi se pokvarila.
Pri Raydafonu se naša proizvodnja na Kitajskem strogo drži standardov ISO 9001 – vsaka sklopka SWP-G je preverjena glede kakovosti, od jekla, ki ga uporabljamo, do prileganja fleksibilnega elementa. Zavedamo se, da nobena delovna mesta nista enaki, zato ponujamo tudi prilagojene rešitve – ne glede na to, ali potrebujete rahlo prilagoditev velikosti ali posebno prilagoditev za svojo opremo. Najboljše od vsega pa je, da ima konkurenčno ceno – dobite vzdržljivo univerzalno spojko, ki ustreza vašemu prostoru in proračunu. Za vse, ki ste naveličani prevelikih, prešibkih ali predragih sklopk, je ta model SWP-G enostavna in visoko zmogljiva rešitev, ki ste jo iskali.
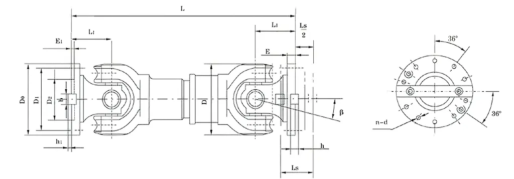
| Model | SWP225G | Serija 250g | SWP285G | SWP315G | SWP350G | |
| D | 225 | 250 | 285 | 315 | 350 | |
| Tn kn.m | 56 | 80 | 112 | 160 | 224 | |
| Tf KN.m | 28 | 40 | 56 | 80 | 112 | |
| β≤ | 5° | 5° | 5° | 5° | 5° | |
| Velikost (mm) | S | 40 | 40 | 40 | 40 | 50 |
| L | 470 | 600 | 665 | 740 | 850 | |
| D | 275 | 305 | 348 | 360 | 405 | |
| D1 | 248 | 275 | 314 | 328 | 370 | |
| D2(H7) | 135 | 150 | 170 | 185 | 210 | |
| E | 15 | 15 | 18 | 18 | 22 | |
| E1 | 5 | 5 | 7 | 7 | 8 | |
| b-h | 32-18 | 40-18 | 40-24 | 40-24 | 50-32 | |
| h1 | 9 | 9 | 12 | 12 | 16 | |
| L1 | 80 | 100 | 120 | 135 | 150 | |
| n-d | 10-15 | 10-17 | 10-19 | 10-19 | 10-21 | |
| M (kg) | 78 | 142 | 190 | 260 | 355 | |
* Opomba: primeri označevanja: premer vrtenja D=315 mm, dolžina obroka L=620 mm, tip G-kratek brez tipa flex SWP315GX620 spojka
Raydafonova univerzalna spojka SWP-G Super Short Flex Type je izdelana za tista tesna mesta, kjer potrebujete prožnost in moč. Narejen je za učinkovito premikanje navora v prostorih, kjer ni prostora za zajetne dele, tudi če gredi niso popolnoma poravnane. To ni katera koli sklopka – to je kardanska sklopka z visokim navorom, ki blesti, ko potrebujete kratko dolžino, vendar nočete varčevati z zmogljivostjo, tudi pri velikih obremenitvah.
Vzemimo na primer gradbeno opremo in težke stroje. Bagri, ki kopljejo v trdo zemljo, nakladalci, ki premikajo tone materiala – vsi imajo tesne prostore, kjer se deli drgnejo drug ob drugega. SWP-G se prav prilega kot zanesljiva kardanska sklopka za industrijske stroje, ki absorbira tresljaje in obvladuje nenehna gibanja, s katerimi se ukvarjajo ti stroji. Njegova super kratka zasnova brez težav zdrsne v tesne sklope in tako zagotovi, da moč pride tja, kamor mora iti, ne da bi pri tem žrtvovali vzdržljivost ali kakovost delovanja.
Tudi kmetje ga bodo cenili. Traktorji, ki orjejo neravna polja, kombajni, ki delajo na neravnem terenu – potrebujejo sklopke, ki so kos neravnim vožnjam in spreminjajočim se hitrostim. Ta SWP-G deluje kot robustna kardanska sklopka za pogonske gredi v kmetijskem orodju, ki se prilagaja kotnim neusklajenostim, ki nastanejo pri delu na terenu. To pomeni manjšo obrabo strojev, zato zdržijo dlje, tudi ko so razmere na terenu težke.
Tudi pomorščaki ga obožujejo, še posebej v tesnih motornih prostorih na čolnih. Slana voda in vlaga nimata nobene možnosti proti njegovi konstrukciji, odporni proti koroziji, zaradi česar je najboljša izbira kot spojka univerzalnih zglobov za mornarje. Obvladuje dinamične obremenitve zaradi valov in potiska pogonskih sistemov, s čimer poskrbi, da stvari tečejo gladko, ne glede na to, ali ste na morju ali v prometnem pristanišču.
In ne pozabimo na obnovljivo energijo – vetrne turbine, ki se vrtijo visoko, sončni sledilniki, ki se premikajo s soncem. Ti sistemi potrebujejo natančen nadzor v omejenih prostorih, zato SWP-G postaja vsestranska univerzalna sklopka za opremo za obnovljivo energijo. Obvladuje visok navor brez velikega povratnega učinka, tako da dobite zanesljivo delovanje z malo potrebe po vzdrževanju – kot nalašč za ohranjanje močnega delovanja trajnostnih energetskih sistemov.
Pri Raydafonu ne prodajamo samo SWP-G – prilagodimo ga vašim potrebam. Ne glede na to, ali delate na gradbenem orodju, kmetijskih strojih, čolnih ali napravah za obnovljivo energijo, ga lahko prilagodimo tako, da natančno ustreza temu, kar gradite. Če želite videti, kako lahko ta spojka olajša vaše delovanje, se preprosto obrnite na našo ekipo. Pokazali vam bomo, zakaj je to pametna izbira za ozke prostore in težka dela.
Raydafonova univerzalna sklopka SWP-G Super Short Flex Type izstopa najprej zaradi svoje kompaktne zgradbe – ta stvar je zasnovana tako, da se stisne v tesne mehanske nastavitve, kjer je prostor omejen, vendar nikoli ne skopari s prilagodljivostjo ali navorom. Če imate opravka z deli z visokim navorom, je to najvišja stopnja univerzalne spojke z visokim navorom: ima napredne upogibne elemente, ki omogočajo obvladovanje precej velikih kotnih neskladij, ne da bi zmanjšali zmogljivost, kar spremeni igro za dinamična okolja, kjer se gredi premikajo med delovanjem strojev.
Trajnost je tu še ena velika zmaga. Uporabljamo trpežne materiale visoke trdnosti in vsak del izdelamo natančno, tako da je odporen proti obrabi in utrujenosti, tudi ko deluje neprekinjeno. Zaradi tega je to trdna univerzalna sklopka za industrijske stroje – pomislite na črpalke, ki delujejo ves dan, ali kompresorje pod stalno obremenitvijo. Blaži udarce in tresljaje ter ohranja enakomeren prenos moči, tako da se vaša oprema ne obremenjuje po nepotrebnem.
Njegova izjemno kratka dolžina je rešilna bilka tudi za pogonske sisteme. Ko delate na avtomobilskih ali transportnih nastavitvah, je vsak centimeter pomemben - in ta spojka se prav prilega kot učinkovita univerzalna sklopka za pogonske gredi. Uporablja vijačne povezave ali povezave s ključi, zato je pritrditev hitra in skrajša čas kasnejšega vzdrževanja. Poleg tega dobro prenaša osne premike, tako da vam ni treba skrbeti, da bi zdrsnil ali se napačno namestil, ko se deli med uporabo premikajo.
Odpornost proti koroziji? To je pokrito. Dodamo zaščitne premaze, ki so odporni na grobe stvari, kot je slana voda v navtičnih napravah. Zato se odlično obnese kot ladijska kardanska spojna spojka za pogonske sisteme: zdrži razpršeno sol in spremenljive obremenitve na morju, ne da bi zarjavel ali se pokvaril, s čimer ohranja gladko vožnjo čolnov.
In če ste osredotočeni na okolju prijazne nastavitve, je ta spojka tudi tam. Prenaša energijo natančno s komajda kakršnim koli povratnim udarcem, tako da ne razsipava moči. Zaradi tega je zanesljiva univerzalna spojna spojka za opremo za obnovljive vire energije – kot nalašč za vetrne turbine, ki se vrtijo v vetru, ali sončne sledilnike, ki se premikajo s soncem. Zagotavlja učinkovito delovanje teh trajnostnih sistemov, kar je točno tisto, kar potrebujete za projekte zelene energije.
Pri Raydafonu poskrbimo, da vsak SWP-G izpolnjuje stroge standarde kakovosti in ga lahko prilagodimo vašim posebnim potrebam – ne glede na to, ali potrebujete drugačen premaz, rahlo prilagojeno dolžino ali povezavo po meri. Če želite izvedeti več o njegovih specifikacijah ali o tem, kako ga integrirati v svojo nastavitev, se pogovorite z našimi strokovnjaki. Pomagali vam bomo dobiti točno to, kar potrebuje vaš stroj.
⭐⭐⭐⭐⭐ Li Jian, višji inženir, Shanghai Industrial Equipment Co., Ltd.
Že nekaj mesecev imamo na naši proizvodni liniji Raydafonovo univerzalno spojko SWP-G Super Short Flex Type in je pošteno presegla tisto, kar smo upali. Naši stroji so vedno imeli malo prostora – vsak centimeter je pomemben – in kompaktna zasnova te sklopke se prilega, kot da je bila narejena samo zanje, nič več stiskanja delov, da bi naredili prostor. Ne skopari pa tudi s funkcijo: tudi ko pride do majhnega odstopanja (kar je pri intenzivni uporabi neizogibno), njegova prilagodljivost ohranja gladek prenos moči, brez sunkov ali kolcanja.
Je tudi trden – kos je nalogam z visokim navorom, ne da bi se preznojil, in po mesecih delovanja smo komaj opazili obrabo. Tudi namestitev je bila hitra; naša ekipa ga je postavila v hipu in od takrat je zanesljiv. Za vsakogar s prostorsko omejeno opremo, ki še vedno potrebuje visoko zmogljivost, je ta spojka preprosta.
⭐⭐⭐⭐⭐ Emily Walker, tehnična direktorica, New York Manufacturing Solutions, ZDA
V našem obratu v New Yorku smo zamenjali naše stare, zajetne spojke za Raydafonov SWP-G in razlika je bila očitna že prvi dan. Te stare enote so zavzele preveč prostora in so se vedno zdele okorne – toda ta se prilega prav na ozka mesta in prenos moči? Gladko in stabilno, tudi ko potiskamo stroje za obvladovanje visokih obremenitev.
Največja zmaga pa je izpad. Včasih smo ustavili proizvodnjo vsakih nekaj tednov, da bi prilagodili ali popravili stare spojke, ampak s tem? Komaj kaj. Zmanjšali so se tudi stroški vzdrževanja - ni več pogostih menjav delov ali nujnih popravil. In ko smo imeli vprašanje o namestitvi, se nam je Raydafonova služba za pomoč strankam hitro javila z jasnimi odgovori. Njihove izdelke že načrtujemo za našo naslednjo nadgradnjo; zaslužili so si naše zaupanje.
⭐⭐⭐⭐⭐ Andrea Rossi, vodja operacij, Milan Engineering, Italija
Dodajanje Raydafonove sklopke SWP-G našim milanskim strojem je bila ena najboljših odločitev za naše visoko natančno delo. Pri našem delu sta prostor in poravnava ključnega pomena – če je del prevelik ali ne prenese majhnih neusklajenosti, to zmoti celoten proces. Ta spojka potrdi oboje: njena majhnost ustreza našim tesnim nastavitvam, prilagodljiva zasnova pa omogoča gladko delovanje, ne glede na manjše prilagoditve, ki jih potrebujemo.
Odkar smo ga namestili, smo imeli veliko manj glavobolov zaradi vzdrževanja – ni več ustavljanja proizvodnje, da bi odpravili težave s poravnavo ali zamenjali obrabljene dele. In ko ga poganjamo pri visokih hitrostih (kar počnemo vsak dan), se odlično drži. Kar zadeva vzdržljivost, je presegel tudi tisto, kar smo pričakovali – po mesecih intenzivne uporabe je še vedno videti in deluje kot nov. Če potrebujete visokokakovostno sklopko za natančno delo, je Raydafon prava pot.
⭐⭐⭐⭐⭐ Jean-Claude Lefevre, nadzornik vzdrževanja, Lyon Mechanical Works, Francija
Raydafonov priključek SWP-G uporabljamo v naših strojih že več kot šest mesecev in to je za našo ekipo spremenilo igro. Prvič, kompaktna zasnova – naša oprema ima tako tesne prostore in ta sklopka zdrsne noter, ne da bi morali preurediti druge dele. Potem je tu še prilagodljivost: razbremeni naše stroje, kar pomeni manjšo obrabo drugih komponent in manj okvar.
Tudi ko imamo velike obremenitve, njegova zmogljivost ostane dosledna – brez padcev, brez čudnih zvokov, samo zanesljivo delovanje. Tudi namestitev je bila preprosta; našim tehnikom ni bilo treba porabiti ur, da bi to ugotovili. Najboljši del? Učinkovitost naše proizvodne linije je zdaj precej večja, zahvaljujoč manjšemu času izpadov. Vsekakor bomo še naprej uporabljali izdelke Raydafon – ta povezava je dokazala, da je vredna.
Raydafonova univerzalna zglobna sklopka SWP-G Super Short Flex Type deluje z uporabo prilagodljivega prenosa navora – predstavljajte si jo kot most med gredmi, ki se lahko malo premakne, ne da bi prekinil povezavo. Uporablja elastomerne elemente (možne za prožne, gumi podobne dele) za obvladovanje neusklajenosti, hkrati pa zagotavlja, da moč prehaja od ene gredi do druge brez zapravljanja energije. Kot kompaktna univerzalna sklopka z visokim navorom ima osrednji gibljivi disk ali pajek, ki absorbira kotne, aksialne in radialne premike – tako da tudi ko gredi niso popolnoma poravnane, ostane vrtenje gladko, tudi v tistih tesnih prostorih, kjer šteje vsak centimeter.
Srce njegovega delovanja je v njegovi super kratki zasnovi. Združuje močne, prožne komponente, ki se lahko pod obremenitvijo nekoliko upognejo, da nadomestijo odmike, kar preprečuje, da bi prevelika obremenitev zadela vaš stroj. Zato je to tako trdna kardanska sklopka za industrijske stroje – ne glede na to, ali se spreminjajo hitrosti ali obremenitve, prenaša rotacijsko silo skupaj s komaj kakršno koli zračnostjo, tako da vaša oprema ostane stabilna.
Tukaj je razčlenitev: vhodna gred se vrti, kar premakne prožni element, ta element pa nato prenese navor na izhodno gred tako, da se ravno toliko upogne – brez sunkov, brez nenadnih zaustavitev. To je velik zalogaj za pogonske gredi, zaradi česar je zanesljiva kardanska sklopka za pogonske gredi v nastavitvah, kot so avtomobilski pogonski sklopi, kjer potrebujete natančno poravnavo, vendar nimate veliko prostora za delo.
Ko stvari postanejo težke – na primer v morskih okoljih, ko valovi premetavajo čoln – upogljiva zasnova SWP-G absorbira tresljaje in udarce, kar mu pomaga, da traja dlje. To je močna ladijska kardanska sklopka, ker so ti prožni deli odporni proti koroziji in prenesejo gibanje valov naprej in nazaj, s čimer ohranja učinkovitost pogona ne glede na to, kako nemirna je voda.
In za nastavitve zelene energije? To načelo sije tudi tam. Učinkovito prenaša energijo s komajda kakršnimi koli izgubami, zaradi česar je odlična univerzalna sklopka za opremo za obnovljivo energijo. Ne glede na to, ali gre za kompaktne sončne sledilnike ali majhne vetrne turbine, poskrbi, da stvari tečejo gladko brez izgube energije – kot nalašč za trajnostne sisteme, kjer šteje vsak delček učinkovitosti.
Pri Raydafonu gradimo SWP-G tako, da je zanesljiv in pripravljen, da ustreza vašim posebnim potrebam. Če želite tehnične podrobnosti ali potrebujete pomoč pri ugotavljanju, kako se prilega vaši nastavitvi, so naši strokovnjaki tukaj, da vas vodijo skozi to – brez žargona, samo jasni odgovori.
Naslov
Industrijsko območje Luotuo, okrožje Zhenhai, mesto Ningbo, Kitajska
Tel
E-naslov


+86-574-87168065


Industrijsko območje Luotuo, okrožje Zhenhai, mesto Ningbo, Kitajska
Copyright © Raydafon Technology Group Co., Limited Vse pravice pridržane.
Links | Sitemap | RSS | XML | Politika zasebnosti |
