koda QR
Izdelki
Kontaktiraj nas


faks
+86-574-87168065

E-naslov

Naslov
Industrijsko območje Luotuo, okrožje Zhenhai, mesto Ningbo, Kitajska
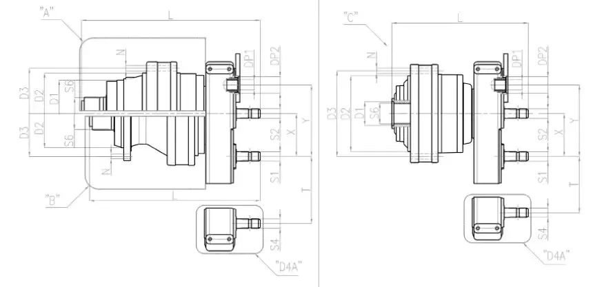
| Model | PG-702 | PG-1002 | PG-1602 | PG-1802 | PG-2502 | PG-3002 | PG-3503 | |||
| Razmerje i | 18.2 | 18.3 | 13.4-33.6 | 15.7-29.9 | 14,6-20-36,2 | 45.3 | 53.7 | |||
| Izhodna vrsta | B | B | B | C | B | C | A | C | C | C |
| D1 |
|
|
|
88HB |
|
88HB | 245F7 | 102H7 | 102H7 | 122HF |
| D2 | 200F7 | 230F7 | 230F7 | 278F7 | 230F | 278F7 | 340F7 | 340F7 | 340F7 | 340F7 |
| D3 | 250 | 295 | 295 | 314 | 295 | 314 | 370 | 370 | 370 | 370 |
| N | ∅15×N°12 | ∅17×N°10 | ∅17×N°10 | ∅15×N°18 | ∅17×N°10 | ∅15×N°18 | ∅17×N°15 | ∅17×N°15 | ∅17×N°15 | ∅17×N°15 |
| L | 646.5 | 627.5 | 693 | 490.5 | 714 | 499.5 | 798.5 | 595.5 | 601 | 680.5 |
| S6 | 70*64 DIN5482 | 80*74 DIN5482 | 100*94 DIN5482 | 80*74 DIN5482 | 100*94 DIN5482 | 80*74 DIN5482 | 100*94 DIN5482 | 100*94 DIN5482 | 100*94 DIN5482 | 120*22*5 DIN5482 |
| S1 | 1" 3/8 Z6 | 1" 3/8 Z6 | 1" 3/8 Z6 | 1" 3/8 Z6 | 1" 3/8 Z6 | 1" 3/8 Z6 | 1" 3/8 Z6 | 1" 3/8 Z6 | 1" 3/8 Z6 | 1" 3/8 Z6 |
| S2 | 1" 3/8 Z6 | 1" 3/8 Z6 | 1" 3/8 Z6 | 1" 3/8 Z6 | 1" 3/8 Z6 | 1" 3/8 Z6 | 1" 3/8 Z6 |
|
|
|
| DP1 | 40*36 DIN5482 | 40*36 DIN5482 | 40*36 DIN5482 | 40*36 DIN5482 | 40*36 DIN5482 | 40*36 DIN5482 | 40*36 DIN5482 | 40*36 DIN5482 | 40*36 DIN5482 | 40*36 DIN5482 |
| DP2 | 60,3HB | 60,3HB | 60,3HB | 60,3HB | 60,3HB | 60,3HB | 60,3HB | 60,3HB | 60,3HB | 60,3HB |
| X | 157 | 157 | 157 | 157 | 157 | 157 | 157 | 157 | 157 | 157 |
| Y | 262 | 262 | 262 | 262 | 262 | 262 | 262 | 262 | 262 | 262 |
| S4 |
|
|
|
1" 3/8 Z6 |
|
1" 3/8 Z6 |
|
1" 3/8 Z6 | 1" 3/8 Z6 | 1" 3/8 Z6 |
| T |
|
|
|
156.8 |
|
156.8 |
|
156.8 | 156.8 | 156.8 |
| Model | Razmerje i | D1 | D2 | D3 | D4 | N | E |
| PG-1602 | 22.14-33.6 | 80*74 DIN5482 | 225 F7 | 278 F7 | 314 | ∅15×N°18 | SAE B/SAE C |
| PG-2502 | 20-36.2 | 100*94 DIN5482 | 245 F7 | 340F7 | 370 | ∅17×N°15 | SAE B/SAE C |
| Model | Razmerje i | D1 | D2 | D3 | N | E |
| PG-161 | 3,55-2,49-5,60 | 40*36 DIN5482 | 110 F7 | 165 | ∅10,5×N°8 | SAE A/SAE B/SAE BB/OMTS |
| PG-251 | 4.13-5.17-6.00 | 58*53 DIN5482 | 150 F7 | 195 | ∅13×N°10 | SAE A/SAE B/SAE BB/OMTS |
| PG-501 | 4.13-5.17-6.00 | 58*53 DIN5482 | 150 F7 | 195 | ∅13×N°10 | SAE A/SAE B/SAE BB/OMTS |
RazvojPlanetarni menjalnik krmilnega mešalnika serije PGizhaja iz globokega vpogleda v boleče točke prenosnega sistema tradicionalne mešalne opreme. Njegova arhitektura porazdeljenega prenosa s tremi planetnimi zobniki ni preprosto zlaganje mehanskih struktur, temveč je zlata kombinacija modula zobnika, širine zob in kota vijačnice končno določena s ponavljajočo se simulacijo napetostnih pogojev pri različnih razmerjih surovin. Na primer, pri predelavi koruznih stebel in mešanic sojine moke lahko njegova edinstvena evolventna zasnova zob zmanjša tveganje zagozditve materiala za 15 %. Z visoko natančnim postopkom brušenja je hrapavost zobne površine nadzorovana pod Ra0,8, kar poveča učinkovitost prenosa za 8%-10% v primerjavi s tradicionalnimi menjalniki. Izmerjeni podatki tovarne krmil kažejo, da je v 12 urah neprekinjenega delovanja na dan poraba energije tega menjalnika za 14 % manjša kot pri podobnih izdelkih, amplituda nihanja navora mešalne gredi pa se zmanjša za 22 %, kar bistveno izboljša enakomernost mešanja.
Za trde delce, kot so pesek, kamenje in kovinski ostanki, ki se pogosto mešajo v krmne surovine, je bil ta menjalnik usmerjen v smislu materialov in postopkov. Telo gonila je izdelano iz legiranega jekla 20CrMnTi. Po obdelavi kaljenja z globino naogljičenja 1,2 mm v kombinaciji s postopkom popuščanja pri nizki temperaturi se upogibna utrujenost zobne korenine poveča na več kot 850 MPa. V ekstremnih delovnih pogojih nepopolnega presejanja surovin na ranču je njegova odpornost proti luknjicam prestala neprekinjen 500-urni preskus udarca peska in gramoza, na površini zob pa so se brez luščenja pojavile le rahle praske. Hkrati lahko z optimizacijo postavitve rebraste plošče in prednapetosti ležaja planetnega nosilca menjalnik še vedno ohranja natančnost prenosa, ko je izpostavljen trenutnemu udarcu 1,5-kratnega nazivnega navora, s čimer se izogne nevarnosti neusklajenosti zobnika ali zloma zob zaradi preobremenitve.
Inteligentna zasnova menjalnika izhaja iz globokega razumevanja bolečih točk delovanja in vzdrževanja v industriji predelave krmil. Njegov vgrajeni inteligentni nadzorni modul ni preprost zbiralnik podatkov, temveč navzkrižna analiza temperature, vibracij, toka in drugih signalov prek modela algoritma. Na primer, ko se zazna, da je temperatura ležaja neobičajno visoka, bo sistem združil podatke o zgodovini obremenitev, da bi ugotovil, ali gre za nezadostno mazanje ali obrabo ležaja, in poslal posebna priporočila za vzdrževanje. Po uporabi tega sistema se je podjetje za krmo izognilo trem nenačrtovanim izpadom tako, da je vnaprej zamenjalo mast in prilagodilo zračnost ležajev, skupna učinkovitost opreme (OEE) pa se je povečala za 18 %. Poleg tega so zasnovo njegove modularne strukture za hitro sprostitev navdihnile povratne informacije osebja za vzdrževanje na prvi liniji. Za popolno zamenjavo kompleta planetnih zobnikov je treba odviti samo štiri vijake, čas vzdrževanja pa se skrajša s 4 ur tradicionalne strukture na 1,5 ure.
Kar zadeva varovanje okolja in optimizacijo energetske učinkovitosti, inovativna zasnova menjalnika izhaja iz natančnega razumevanja potreb industrije krme za zmanjšanje stroškov in povečanje učinkovitosti. Njegova struktura odvajanja toplote ne povečuje zlepa območja odvajanja toplote, ampak optimizira spiralni kot in razmik reber za odvajanje toplote s pomočjo simulacije mehanike tekočin, tako da se učinkovitost naravnega odvajanja toplote poveča za 30 %, s čimer se zmanjša poraba energije hladilnega ventilatorja. V sistemu mazanja je uporabljena tehnologija dvopodročne oskrbe z oljem, ki dinamično prilagaja količino olja glede na obremenitev, s čimer se izogne "poplavnemu" načinu mazanja tradicionalnih menjalnikov in zmanjša porabo maziva za 25 %. Dejanske meritve proizvodne linije krme, izvožene v Evropo, kažejo, da je raven hrupa menjalnika 5 dB nižja od standarda EU, njegova raven energijske učinkovitosti pa dosega standard IE3, kar strankam pomaga uspešno prestati certificiranje energetske učinkovitosti države uvoznice. Ta koncept oblikovanja, ki globoko povezuje tehnične podrobnosti s komercialno vrednostjo, je ključ do tržne prepoznavnosti izdelka.
pozdravljena Sem Elena García, stranka iz Barcelone, Španija. Vaš planetarni menjalnik uporabljamo v našem sistemu za sledenje fotonapetostnih plošč leto in pol. Ta oprema je v celoti rešila naš problem natančnosti sledenja sončnemu sevanju - menjalnik, ki smo ga uporabljali prej, je vedno imel odstopanje sledenja za približno 5 stopinj vsako jutro in večer, medtem ko lahko vaš planetni menjalnik z kodirnikom nadzoruje napako sledenja znotraj 0,5 stopinje. Zdaj se je povprečna dnevna proizvodnja električne energije s fotonapetostnimi paneli povečala za 18 % v primerjavi s prej, celo račun za elektriko se je znatno zmanjšal. Zdaj je ta planetni menjalnik prestal preizkus slanega pršila in močnega vetra v fotovoltaični elektrarni na morju. Protikorozijski premaz ohišja menjalnika ni pokazal nobenih znakov odpadanja, olja v notranjem menjalniku pa ni treba menjati tako pogosto kot prej. Veselim se sodelovanja z vami pri več projektih obnovljive energije v prihodnosti!
Sem Hans Müller, strojni inženir iz Nemčije. Pred pol leta sem kupil Raydafonove planetne menjalnike za nadgradnjo proizvodne linije. Po uporabi so presegli moja pričakovanja! Oprema deluje pri visoki obremenitvi 16 ur na dan za obdelavo surovin z visoko viskoznostjo. Hrup menjalnika je zmanjšan za 20 %, učinkovitost prenosa je stabilna pri več kot 94 %, dvig temperature je vedno nadzorovan znotraj 25 °C, vzdržljivost pa je veliko boljša od starih modelov. Vaša ekipa je bila strokovna in učinkovita skozi celoten proces, od zgodnje optimizacije parametrov, prilagoditve tesnilne strukture do oddaljenega vodenja za odpravljanje napak. Podrobna zasnova (kot so protiprašna tesnila in standardizirane montažne luknje) dodatno odraža globoko razumevanje dejanskih delovnih pogojev. Zaradi kakovosti izdelkov in ravni storitev Raydafon sem ga brez oklevanja uvrstil na seznam dolgoročnih dobaviteljev in ga toplo priporočam svojim kolegom!
Toliko let vodim ranč in zamenjal sem veliko menjalnikov. Šele ko sem uporabil Raydafonov planetni menjalnik, sem zares spoznal, kaj pomeni biti brez skrbi! Oprema, ki sem jo uporabljal prej, je bila pri mešanju silaže vedno podhranjena, menjalniki so pogosto zdrsnili. Nisem pričakoval, da bo tvoj planetni menjalnik tako močan. Vaš izdelek je veliko enostavnejši za namestitev, kot sem mislil, poleg tega pa je enostaven za vzdrževanje. Ko sem zadnjič sam opravil dnevni pregled, sem ugotovil, da je menjalnik zelo dobro zatesnjen in da olja sploh ne pušča. Vsekakor vas bom podpiral tudi v prihodnje in vas priporočal svojim prijateljem rančerjem! ----Mark Johnson
Naslov
Industrijsko območje Luotuo, okrožje Zhenhai, mesto Ningbo, Kitajska
Tel
E-naslov


+86-574-87168065


Industrijsko območje Luotuo, okrožje Zhenhai, mesto Ningbo, Kitajska
Copyright © Raydafon Technology Group Co., Limited Vse pravice pridržane.
Links | Sitemap | RSS | XML | Politika zasebnosti |
