koda QR
Izdelki
Kontaktiraj nas


faks
+86-574-87168065

E-naslov

Naslov
Industrijsko območje Luotuo, okrožje Zhenhai, mesto Ningbo, Kitajska
Če imate opravka s stroji, kot so črpalke, ki ves dan premikajo tekočine, ventilatorji, ki skrbijo za prezračevanje prostorov, ali tekstilna oprema, ki deluje neprekinjeno, potrebujete sklopko, ki je dovolj prožna, da prenese majhne neskladnosti, a dovolj trdna, da ohranja enakomeren navor. Točno za to je ustvarjena Raydafonova najlonska fleksibilna sklopka NL tipa. Obvladuje do 4 mm aksialne neusklajenosti in 2 stopinji kotne neusklajenosti, tako da tudi ko vaše gredi niso popolnoma poravnane, poskrbi, da vaša oprema deluje brez težav.
Na voljo imamo modele od NL1 pa vse do NL10, tako da je primeren za skoraj vsa lahka do srednje težka dela. Zmogljivosti navora segajo od 40 N·m do 3150 N·m, premeri izvrtin pa od 6 mm do 100 mm – ni potrebe po iskanju velikosti, ki je prevelika ali premajhna. To najlonsko gibljivo sklopko izstopa po svoji konstrukciji: visoko trdna najlonska tulka v kombinaciji z jeklenimi pesti. Ta kombinacija pomeni, da deluje tiho in da se ga skoraj ne morate dotakniti zaradi vzdrževanja – brez stalnih preverjanj ali popravkov, ki bi vas upočasnili. To je izbira za prilagodljive zobniške sklopke za industrijske stroje in če delate posebej s črpalkami, je ena najbolj zanesljivih najlonskih zobniških sklopk za črpalke. Poleg tega se njegova kompaktna zasnova prilega tesnim namestitvam in deluje gladko med -20 °C in +70 °C – ne glede na to, ali je vaš delovni prostor hladen ali topel.
Pri Raydafonu izdelujemo te spojke na Kitajskem in se strogo držimo standardov ISO 9001 – vsak del je preverjen, da se prepričamo, ali je vzdržljiv in pripravljen na dolgotrajno uporabo. Najlonski tulec ni samo močan, je tudi neprevoden in odporen proti koroziji. To je sprememba igre za vlažne prostore ali območja s kemikalijami, kjer lahko druge spojke zarjavijo ali pride do kratkega stika – ta deluje dlje. Zaradi njegove preproste strukture je sestavljanje in razstavljanje enostavno: brez zapletenih orodij, samo hitro delo, ko ga morate zamenjati ali vzdrževati. Zato je najboljša izbira za najlonske zobniške sklopke po meri – prilagodimo jih lahko, da se prilegajo vaši specifični nastavitvi – in je ena najtrpežnejših prilagodljivih zobniških sklopk za tekstilno opremo, ki zdrži nenehno gibanje tkalskih ali predilnih strojev.
Ponujamo vse vrste velikosti in konfiguracij gredi, tako da dobite sklopko, ki je prilagojena vašim strojem – ne možnost, ki bi ustrezala nobeni velikosti. In ohranjamo konkurenčno ceno, tako da vam ni treba pretiravati s kakovostjo. Za podjetja po vsem svetu to pomeni manj izpadov (saj je enostavno namestiti in vzdrževati) in boljšo učinkovitost opreme – točno to, kar potrebujete za nemoteno delovanje.
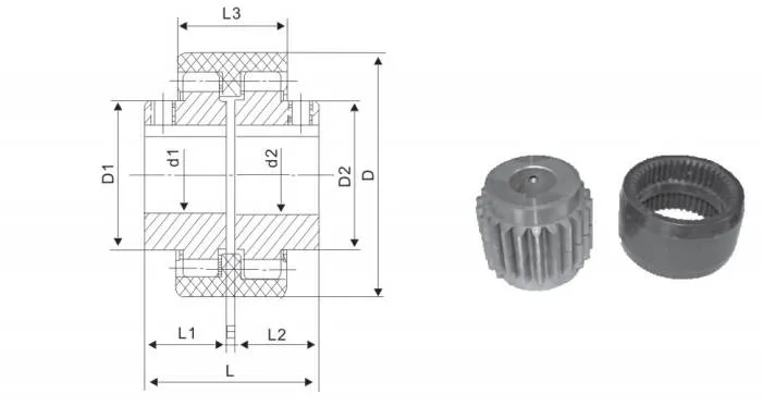
Osnovna delovna logika prožne sklopke najlonskega zobnika tipa NL se zanaša na zapletene zobe zobnika za doseganje prenosa navora, medtem ko najlonski tulec v notranjosti kot ključna prožna komponenta ne more le učinkovito kompenzirati neusklajenosti sistema gredi, temveč ima tudi pomembno vlogo pri blaženju udarcev. V tej konstrukcijski zasnovi sta dve pesti z zunanjimi zobmi povezani prek vgrajenega najlonskega notranjega tulca zobnika. Ta kombinacija ne zagotavlja samo učinkovitega prenosa moči v mehanskih sistemih, ampak tudi znatno zmanjša tresljaje in udarce, ki nastanejo med delovanjem. Ta konstrukcijska prednost je še posebej očitna v primerih uporabe najlonskih gibljivih sklopk tipa NL, ki jih je treba prilagoditi majhni in srednje veliki opremi.
Ko pogonska gred prenaša navor na eno od pest, se bodo zunanji zobje na pestu natančno ujeli z notranjimi zobmi najlonskega notranjega tulca zobnika, nato pa bo najlonski notranji tulec zobnika gladko prenašal moč na drugo pesto, povezano z gnano gredjo. Tudi v delovnih pogojih, kjer je kotni, vzporedni ali aksialni nesklad v sistemu gredi, lahko ta mrežasti prenosni mehanizem še vedno zagotavlja stabilno delovanje opreme. Zato je na področjih, ki zahtevajo zanesljive rešitve fleksibilne zobniške sklopke, kot so transmisijski sistemi avtomatiziranih proizvodnih linij, napajalni priključki črpalne opreme in pogonske naprave transporterjev, najlonska fleksibilna zobniška sklopka tipa NL prednostni izdelek.
Najlonski material, ki se uporablja v gibljivi sklopki najlonskega zobnika tipa NL, ima odlično elastičnost in lastnosti dušenja, kar lahko ne le zmanjša obrabo mehanske opreme, ki je z njim povezana, temveč tudi podaljša življenjsko dobo celotnega prenosnega sistema. Kot profesionalni proizvajalec zobniških sklopk Raydafon izbira napredne materiale in optimizira proizvodni proces pri izdelavi sklopk tipa NL, kar omogoča, da izdelki ohranijo odlično zmogljivost v zapletenih delovnih pogojih v različnih panogah. Na primer, v scenarijih, ki se ukvarjajo s spremenljivimi obremenitvami, se lahko fleksibilna sklopka z najlonskim zobnikom tipa NL, ki jo proizvaja Raydafon, zanese na svojo odlično sposobnost kompenzacije neusklajenosti, da se izogne okvaram prenosa, ki jih povzroča neusklajenost sistema gredi, in zmanjša čas izpada opreme.
Da bi najlonska gibljiva sklopka zobnikov tipa NL ohranjala stabilno delovno učinkovitost, je bistvenega pomena vsakodnevno vzdrževanje, med katerim je ključna povezava redno mazanje delov zob zobnikov. Razumno mazanje lahko zmanjša izgubo zaradi trenja med zaječevanjem zob zobnika, dodatno izboljša stabilnost delovanja sklopke in zmanjša verjetnost okvar. Na splošno je načelo delovanja prožne sklopke najlonskega zobnika tipa NL doseči močan prenos navora ob upoštevanju prožnosti in stabilnosti prenosnega sistema s sinergijskim učinkom togega pesta in upogljivega najlonskega tulca. Kot izkušen dobavitelj zobniških sklopk Raydafon vedno nadzoruje natančnost in zanesljivost izdelkov v skladu s strogimi standardi, da strankam v različnih panogah zagotovi najlonske fleksibilne sklopke tipa NL z močno prilagodljivostjo in visoko vzdržljivostjo.
Nylon Gear Fleksibilna spojka tipa NL je posebej zasnovana za visoko zmogljive aplikacije v zahtevnih mehanskih scenarijih. Zagotavlja stabilen prenos moči, medtem ko prilagodljivo prilagaja neskladje gredi, zaradi česar je zelo konkurenčna možnost v kategoriji zobniških sklopk z najlonsko pušo. Ključni poudarek oblikovanja te sklopke je v njeni visoko trdni najlonski tulki, ki spojki ne daje le odlične zmožnosti elastične deformacije, temveč tudi bistveno poveča vzdržljivost celotne strukture. Zaradi tega je še posebej primeren kot kritična upogljiva komponenta zobniške sklopke s tulko iz najlona v industrijski opremi, ki deluje dlje časa.
Kar zadeva zmogljivost prenosa navora, fleksibilna spojka z najlonskim zobnikom tipa NL zagotavlja izjemno zmogljivost in zlahka obvladuje zahteve obremenitve z visokim navorom. Ne glede na to, ali gre za težka obdelovalna orodja, rudarske stroje ali obsežno opremo za tekoče trakove – vse to zahteva visoko zanesljivost pri prenosu moči – deluje stabilno in se uveljavlja kot prednostni model najlonske sklopke z visokim navorom za številne delovne pogoje z visokim navorom. Pri reševanju pogoste težave z neusklajenostjo gredi med mehanskim delovanjem ta prilagodljiva najlonska zobniška sklopka dokazuje tudi odlično prilagodljivost. Lahko učinkovito absorbira in kompenzira kotno neusklajenost, vzporedno neusklajenost in aksialno neusklajenost, s čimer znatno zmanjša dodatno obremenitev na povezanih gredi in pomaga podaljšati življenjsko dobo celotnega prenosnega sistema. Ta lastnost je še posebej pomembna za proizvodno opremo, ki zahteva dolgoročno neprekinjeno delovanje.
Poleg tega ima najlonski material najlonske gibke sklopke tipa NL sam po sebi odlične lastnosti blaženja udarcev in blaženja. Med delovanjem opreme lahko učinkovito zmanjša vpliv vibracij in udarcev, kar zagotavlja bolj gladko delovanje prenosnega sistema. Posledično je v dinamičnih delovnih pogojih s pogostimi vibracijami za številna podjetja postala najprimernejša rešitev najlonske sklopke za blaženje udarcev. Kar zadeva odpornost proti koroziji, so poleg odlične kemične odpornosti najlonskega tulca na korozijo kovinske komponente te sklopke podvržene posebni obdelavi, kar omogoča stabilno delovanje v vlažnem, prašnem ali rahlo korozivnem okolju. V primerjavi s tradicionalnimi togimi sklopkami izkazuje močnejšo prilagodljivost v težkih delovnih pogojih in v celoti izpolnjuje zahteve industrijskega sektorja po vzdržljivih najlonskih zobniških sklopkah.
Z vidika delovanja in vzdrževanja ima najlonska gibljiva sklopka tipa NL obliko brez vzdrževanja. Odpravlja potrebo po pogostem dodajanju ali prilagajanju maziva, kar ne le zmanjša delovno obremenitev dnevnega vzdrževanja, ampak tudi zmanjša tveganje za okvare opreme, ki jih povzroči nepravilno vzdrževanje. To učinkovito nadzoruje operativne stroške in čas izpadov ter se popolnoma ujema z izbirnimi merili industrij, ki si prizadevajo za učinkovito proizvodnjo z nizko porabo za fleksibilne zobniške sklopke, ki zahtevajo malo vzdrževanja. Medtem je njegova celotna struktura lahka in kompaktna, kar omogoča preprosto in hitro namestitev in demontažo. Tudi v postavitvah opreme z omejenim prostorom je mogoče enostavno dokončati sestavo te kompaktne najlonske zobniške sklopke, kar dodatno izboljša učinkovitost namestitve in vzdrževanja opreme.
Če povzamemo, integracija prožne sklopke NL tipa Nylon Gear v prenosni sistem zagotavlja stabilnejšo in učinkovitejšo operativno podporo za opremo. Zlasti na področju natančne proizvodnje, kjer je potreben visoko natančen prenos, ta visokozmogljiva najlonska zobniška sklopka z optimirano zasnovo v celoti izpolnjuje številne zahteve po natančnosti prenosa, zanesljivosti in prilagodljivosti ter služi kot bistvena komponenta pri izboljšanju celotne učinkovitosti opreme.
Fleksibilna spojka z najlonskim zobnikom tipa NL deluje kot del prenosa za vse vrste mehanskih nastavitev, ki potrebujejo stalen prenos moči. Kar izstopa, je najlonski tulec – upogne se ravno prav, da absorbira tresljaje in popravi majhne neusklajenosti gredi, zato je popoln za vsako uporabo zobniške sklopke, kjer potrebujete zanesljivo premikanje navora, ne da bi se deli prehitro obrabili.
Vzemimo za primer industrijske stroje. Ta spojka je odlična za priklop motorjev na črpalke ali kompresorje. Ko ti stroji delujejo, pogosto pošiljajo nenadne udarne obremenitve skozi sistem, vendar fleksibilna spojka z najlonskim zobnikom tipa NL ublaži ta vpliv in pomaga, da celotna nastavitev traja dlje. In na tekočih trakovih – saj veste, tistih, ki neprekinjeno premikajo materiale v tovarnah – ta industrijska najlonska zobniška sklopka poskrbi, da stvari tečejo gladko, tudi ko se obremenitev spremeni. Za razliko od starih togih spojk, ki se pogosto kvarijo, ta skrajša čas izpadov in denar, ki ga porabite za popravljanje stvari.
Uporabljata ga tudi avtomobilski in transportni svet, zlasti za pogonske gredi in krmilne dele. Avtomobili in tovornjaki se morajo med premikanjem soočati z veliko zvijajočimi tresljaji, vendar jih ta prilagodljiva zobniška sklopka za avtomobilske pogone absorbira. Zaradi tega vozilo ne le deluje bolje, ampak je tudi varnejše – brez čudnih tresljajev, ki bi izključili krmiljenje ali obrabili pogonski sklop.
Ko gre za uporabo natančnih zobniških sklopk, kot so CNC stroji ali industrijski roboti, ta sklopka res blesti. Ti stroji se hitro vrtijo in potrebujejo izjemno natančno gibanje, vendar lahko že majhne neusklajenosti gredi (kot so koti ali vzporedni premiki) pokvarijo stvari. Fleksibilna spojka najlonskega zobnika tipa NL odpravlja te težave, hkrati pa ohranja korak z visokimi hitrostmi. Zato toliko podjetij, ki gradijo avtomatizirane montažne linije, išče to najlonsko zobniško sklopko za natančno opremo CNC, ko potrebujejo nastavitve po meri.
Našli ga boste tudi v sistemih HVAC in čistilnih napravah. Ta mesta pogosto uporabljajo ventilatorje in puhala, in če ti deli preveč vibrirajo, postanejo glasni in se pokvarijo. Ta prilagodljiva zobniška sklopka za dušenje tresljajev za ventilatorje HVAC zmanjšuje hrup in zagotavlja enakomerno delovanje opreme – brez nepričakovanih zaustavitev v postopkih ogrevanja/hlajenja ali obdelave vode.
Skratka, najlonska gibljiva sklopka NL tipa je cenovno ugodna izbira za skoraj vsako industrijo. Je trden, enostaven za namestitev in opravi delo. Če iščete zanesljivega dobavitelja industrijskih zobniških sklopk, vam lahko Raydafon priskrbi možnosti po meri, ki natančno ustrezajo vašim potrebam – tako da dobite najboljšo zmogljivost in dolgotrajen del.
⭐⭐⭐⭐⭐ Wang Lei, strojni inženir, Guangzhou Machinery Co., Ltd.
Na naših montažnih linijah že nekaj časa imamo Raydafonovo Nylon Type Nylon Gear Fleksibilno spojko, ki je bila stabilna – veliko bolj zanesljiva kot nekatere druge sklopke, ki smo jih preizkusili. Tu izstopa najlonska zasnova zobnika: premika navor gladko, brez sunkovitih prenosov in toliko zmanjša vibracije, da lahko dejansko opazite razliko v delovanju strojev.
Tudi namestitev je bila enostavna. V naši opremi nimamo veliko dodatnega prostora, vendar se ta sklopka popolnoma prilega takoj po izdelavi – ni treba ničesar spreminjati. Deluje neprekinjeno in skorajda ni nobenega znaka obrabe; ta vzdržljivost pomeni, da ne ustavljamo proizvodnje, da bi jo popravili ali zamenjali tako pogosto. Skratka, to je trden, stroškovno učinkovit izbor, ki naredi točno to, kar potrebujemo.
⭐⭐⭐⭐⭐ John Smith, vodja obrata, Chicago Industrial Solutions, ZDA
Našo staro kovinsko spojko smo zamenjali za Raydafonov NL Type Nylon Gear one v našem obratu v Chicagu in sprememba je bila noč in dan – to ste lahko občutili takoj, ko smo zagnali stroje. Vibracije, zaradi katerih so včasih ropotali deli? Odšel. Glasno brnenje iz stare sklopke? Umirjeno toliko, da so tla mirnejša. In prenos moči? Kar se da gladko, tudi ko imamo velike obremenitve.
Še več, neusklajenost obvladuje veliko bolje kot kovinski - ni več prilagajanja vsak teden, da bi stvari ostale na pravi poti. Tudi Raydafon nam ga je hitro prinesel; dostava je potekala točno po načrtu, kakovost pa je bila vrhunska – brez poceni delov ali slabega dela. O tem sem že povedal nekaj drugim upraviteljem obratov; to je izdelek, o katerem želite povedati.
⭐⭐⭐⭐⭐ Anna Müller, nadzornica vzdrževanja, München Engineering, Nemčija
Pred nekaj meseci smo v naše stroje za visoke hitrosti vgradili Raydafonovo spojko tipa NL in to je za našo ekipo spremenilo igro. Material zobnikov iz najlona je pameten – ne obrabi se tako hitro kot kovina, zato delov ne menjamo tako pogosto, poleg tega pa je veliko tišji. Morda se sliši malo, a tišja trgovina pomeni manj utrujenosti za ekipo in manj motenj, ko preverjamo opremo.
Je dovolj prilagodljiv, da prenese rahle premike, ki so posledica hitrega teka, vendar še vedno dovolj močan, da vzdrži pritisk – brez upogibanja ali zloma. Tudi namestitev je bila preprosta; naši tehniki so ga postavili v eni uri, brez zapletenih navodil. Odkar smo ga namestili, smo imeli veliko manj zastojev stroja in vse deluje bolj gladko. Raydafon je dokazal, da je dobavitelj, na katerega se lahko zanesemo - brez presenečenj, samo dobri izdelki.
⭐⭐⭐⭐⭐ Carlos Martínez, direktor operacij, Madrid Manufacturing Corp., Španija
Raydafonova najlonska fleksibilna spojka tipa NL je točno tisti visokokakovosten izdelek, ki smo ga iskali. Dodali smo ga v našo proizvodno linijo v upanju, da bomo zmanjšali vibracije in povečali učinkovitost – in dosegel je oboje, brez vprašanj. Najlonsko orodje mu daje ravno pravšnjo mero prilagodljivosti, da stvari tečejo gladko, vendar ne žrtvuje moči – tudi ko se trudimo, da bi izpolnili kratke roke.
Je tudi kompakten, kar je velik plus za našo postavitev; nimamo veliko dodatnega prostora in ta sklopka se prav prilega, ne da bi preobremenila druge dele. Uporabljamo ga že mesece in ni bilo nobenih težav – nobenih okvar, nobenih čudnih zvokov, samo dosledno delovanje. Med samim izdelkom in odlično storitvijo, ki smo jo dobili od Raydafona, smo več kot zadovoljni. Ta je čuvaj.
Naslov
Industrijsko območje Luotuo, okrožje Zhenhai, mesto Ningbo, Kitajska
Tel
E-naslov


+86-574-87168065


Industrijsko območje Luotuo, okrožje Zhenhai, mesto Ningbo, Kitajska
Copyright © Raydafon Technology Group Co., Limited Vse pravice pridržane.
Links | Sitemap | RSS | XML | Politika zasebnosti |
